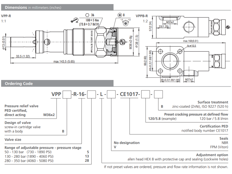
Zawór VPP-R-16-xx-L-CE1017, Seals: No designation, Range of adjustable pressure - pressure stage: 5
Kod produktu: VPP-R-16-xx-L-CE1017 ID: 2452123Dane wariantu:
Opcje połączeniowe / Propozycje instalacyjne:
Do rur precyzyjnych bezszwowych Stal węglowa
Zalety materiału/produktu:
Mała powierzchnia pracy w obszarze niskich ciśnień
Desing of valve:
B
Pressure relief valve:
M36x2
Range of adjustable pressure - pressure stage:
5
Relief pressure and flow rate setting:
120/5.8
Seals:
No designation
Surface treatment:
B
Valve size:
16
Dane podstawowe:
Range of adjustable pressure - pressure stage:
- 13
- 28
Seals:
- V
Magazyn PL: 999 szt.
Termin dostawy: -
Termin dostawy: -
999 szt.
-
Magazyn EU: 0 szt.
Termin dostawy: -
Termin dostawy: -
0 szt.
-
| Wariant | Seals | Range of adjustable pressure - pressure stage | Dostępność | ||||
|---|---|---|---|---|---|---|---|







