Proste
Materiał / Składowe:
Stal węglowa Cr(VI)-free/Zn-Ni
Dopuszczalna temperatura pracy materiału/produktu:
-40°C do +200°C
Ciśnienie medium:
120 BAR
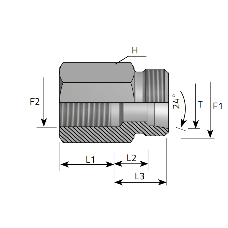
F1 - Gwint wewnętrzny:
M6x1,0
F2 - Gwint wewnętrzny:
M6x1,0
H1 - Rozmiar na klucz:
NA
L - Długość:
NA
Zastosowanie:
- Automotive
- Centralne smarowanie
- Hydraulika siłowa mobilna i przemysłowa
- Instalacje grzewcze
- Instalacje sprężonego powietrza
- Prasy hydrauliczne
- Przemysł budowlany
- Przemysł górniczy
- Przemysł maszynowy
- Przemysł okrętowy
- Przemysł rolniczy
Medium:
- Olej napędowy
- Argon
- Azot
- Olej mineralny
- Olej hydrauliczny
- Próżnia
- Sprężone powietrze
- Glikol
Opcje połączeniowe / Propozycje instalacyjne:
- Do zbiorników
- Do chłodnic
- Do filtrów
- Do przyłączy
- Do zaworów kulowych
- Do szybkozłączy
Zalety materiału/produktu:
- Wykonany ze stali ocynkowanej lub stali nierdzewnej zgodne jest z normą DIN 2353 (PN-ISO 8437-1).
- Zwiększona ochrona przed korozją chemiczną
- Praca pod wysokim ciśnieniem
- Brak adsorpcji nieprzyjemnych zapachów
- Odporność na promieniowanie słoneczne UV
- Dobre przewodnictwo cieplne
- Praca w trudnych warunkach
- Duży wybór materiałów uszczelniających
- Odporność na działanie obciążeń mechanicznych
- Odporność na działanie wysokich temperatur
Magazyn PL: Na zamówienie
Termin dostawy: 14 dni
Termin dostawy: 14 dni
Na zamówienie
Magazyn EU: 0 szt
Termin dostawy: 30 dni
Termin dostawy: 30 dni
0 szt
30 dni
Polecane
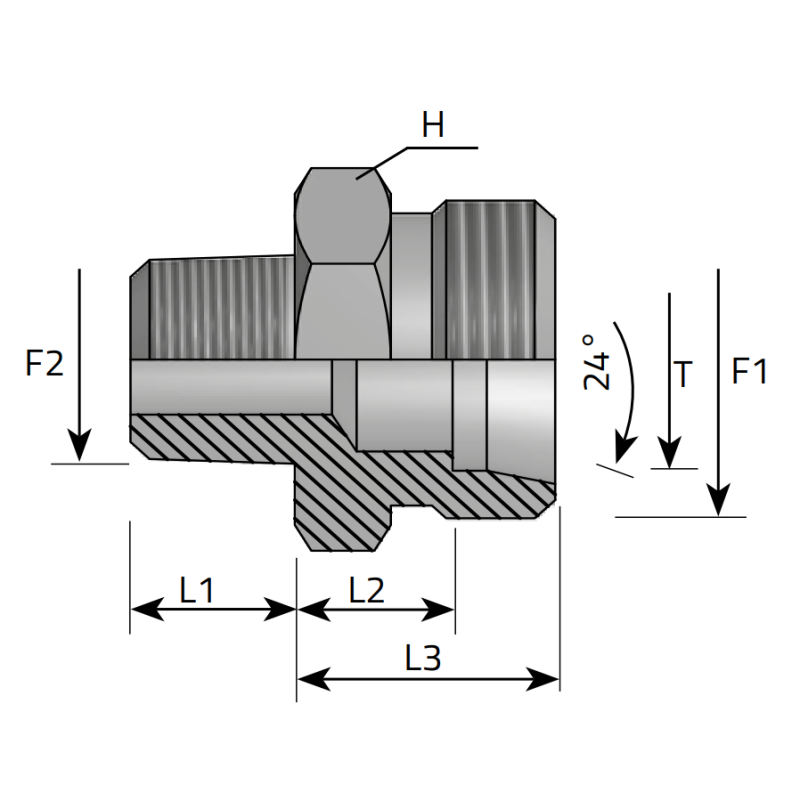
Materiał / Składowe:
Stal węglowa Cr(VI)-free/Zn-Ni
Dopuszczalna temperatura pracy materiału/produktu:
-40°C do +200°C
Ciśnienie medium:
315 BAR
F1 - Gwint wewnętrzny:
M12x1,5
F2 - Gwint wewnętrzny:
M12x1,5
T - Rozmiar na rurę:
6 mm
H - Rozmiar na klucz:
14 mm
L1 - Długość:
34 mm
Zastosowanie:
- Automotive
- Centralne smarowanie
- Hydraulika siłowa mobilna i przemysłowa
- Instalacje grzewcze
- Instalacje sprężonego powietrza
- Prasy hydrauliczne
- Przemysł budowlany
- Przemysł górniczy
- Przemysł maszynowy
- Przemysł okrętowy
- Przemysł rolniczy
Medium:
- Olej napędowy
- Argon
- Azot
- Olej mineralny
- Olej hydrauliczny
- Próżnia
- Sprężone powietrze
- Glikol
Opcje połączeniowe / Propozycje instalacyjne:
- Do złączy
- Do końcówek w elastycznych gotowych przewodach
Zalety materiału/produktu:
- Wykonany ze stali ocynkowanej lub stali nierdzewnej zgodne jest z normą DIN 2353 (PN-ISO 8437-1).
- Zwiększona ochrona przed korozją chemiczną
- Praca pod wysokim ciśnieniem
- Brak adsorpcji nieprzyjemnych zapachów
- Odporność na promieniowanie słoneczne UV
- Dobre przewodnictwo cieplne
- Praca w trudnych warunkach
- Duży wybór materiałów uszczelniających
- Odporność na działanie obciążeń mechanicznych
- Odporność na działanie wysokich temperatur
Magazyn PL: 13 szt
Termin dostawy: 48 h
Termin dostawy: 48 h
13 szt
48 h
Magazyn EU: 2108 szt
Termin dostawy: 4 dni
Termin dostawy: 4 dni
2108 szt
4 dni
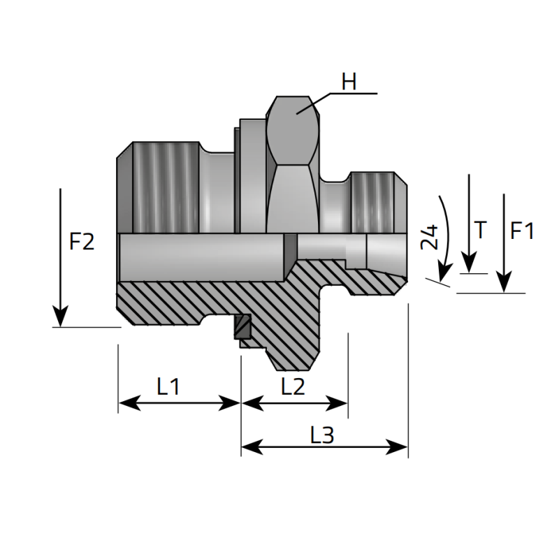
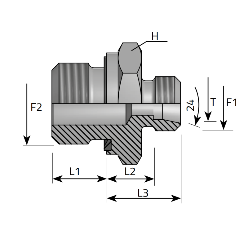
Materiał / Składowe:
Stal węglowa Cr(VI)-free/Zn-Ni
Dopuszczalna temperatura pracy materiału/produktu:
-40°C do +200°C
Ciśnienie medium:
315 BAR
F1 - Gwint wewnętrzny:
M22x1,5
F2 - Gwint zewnętrzny:
M14x1,5
T1 - Rozmiar na rurę:
15 mm
T2 - Rozmiar na rurę:
8 mm
H - Rozmiar na klucz:
19 mm
L1 - Długość:
28,5 mm
L2 - Długość:
35,5 mm
Zastosowanie:
- Automotive
- Centralne smarowanie
- Hydraulika siłowa mobilna i przemysłowa
- Instalacje grzewcze
- Instalacje sprężonego powietrza
- Prasy hydrauliczne
- Przemysł budowlany
- Przemysł górniczy
- Przemysł maszynowy
- Przemysł okrętowy
- Przemysł rolniczy
Medium:
- Olej napędowy
- Argon
- Azot
- Olej mineralny
- Olej hydrauliczny
- Próżnia
- Sprężone powietrze
- Glikol
Opcje połączeniowe / Propozycje instalacyjne:
- Do złączy
- Do przyłączy
- Do szybkozłączy
- Do siłowników hydraulicznych
- Do silników hydraulicznych
- Do końcówek w elastycznych gotowych przewodach
- Do rur precyzyjnych bezszwowych
- Do przewodów Tekalan
- Do przewodów PU, PA, PE
- Do rur miedzianych
- Do rur aluminiowych
Zalety materiału/produktu:
- Wykonany ze stali ocynkowanej lub stali nierdzewnej zgodne jest z normą DIN 2353 (PN-ISO 8437-1).
- Zwiększona ochrona przed korozją chemiczną
- Praca pod wysokim ciśnieniem
- Brak adsorpcji nieprzyjemnych zapachów
- Odporność na promieniowanie słoneczne UV
- Dobre przewodnictwo cieplne
- Praca w trudnych warunkach
- Duży wybór materiałów uszczelniających
- Odporność na działanie obciążeń mechanicznych
- Odporność na działanie wysokich temperatur
Magazyn PL: 12 szt
Termin dostawy: 48 h
Termin dostawy: 48 h
12 szt
48 h
Magazyn EU: 2305 szt
Termin dostawy: 4 dni
Termin dostawy: 4 dni
2305 szt
4 dni
Materiał / Składowe:
Stal węglowa Cr(VI)-free/Zn-Ni
Dopuszczalna temperatura pracy materiału/produktu:
-40°C do +200°C
Ciśnienie medium:
NA
F1 - Gwint zewnętrzny:
M12x1,5
F2 - Gwint wewnętrzny:
1/4" NPT
T - Rozmiar na rurę:
6 mm
H - Rozmiar na klucz:
NA
L1 - Długość:
NA
L2 - Długość:
NA
Zastosowanie:
- Automotive
- Centralne smarowanie
- Hydraulika siłowa mobilna i przemysłowa
- Instalacje grzewcze
- Instalacje sprężonego powietrza
- Prasy hydrauliczne
- Przemysł budowlany
- Przemysł górniczy
- Przemysł maszynowy
- Przemysł okrętowy
- Przemysł rolniczy
Medium:
- Olej napędowy
- Argon
- Azot
- Olej mineralny
- Olej hydrauliczny
- Próżnia
- Sprężone powietrze
- Glikol
Opcje połączeniowe / Propozycje instalacyjne:
- Do flanszy i przyłączy pomp zębatych
- Do zbiorników
- Do chłodnic
- Do filtrów
- Do złączy
- Do zaworów funkcyjnych
- Do rozdzielaczy
- Do zaworów kulowych
- Do szybkozłączy
- Do siłowników hydraulicznych
- Do silników hydraulicznych
- Do bloków pneumatycznych
- Do płyt i bloków przyłączeniowych
- Do końcówek w elastycznych gotowych przewodach
- Do rur precyzyjnych bezszwowych
- Do przewodów Tekalan
- Do przewodów PU, PA, PE
- Do rur miedzianych
- Do rur aluminiowych
Zalety materiału/produktu:
- Wykonany ze stali ocynkowanej lub stali nierdzewnej zgodne jest z normą DIN 2353 (PN-ISO 8437-1).
- Zwiększona ochrona przed korozją chemiczną
- Praca pod wysokim ciśnieniem
- Brak adsorpcji nieprzyjemnych zapachów
- Odporność na promieniowanie słoneczne UV
- Dobre przewodnictwo cieplne
- Praca w trudnych warunkach
- Duży wybór materiałów uszczelniających
- Odporność na działanie obciążeń mechanicznych
- Odporność na działanie wysokich temperatur
Magazyn PL: Na zamówienie
Termin dostawy: 14 dni
Termin dostawy: 14 dni
Na zamówienie
Magazyn EU: 0 szt
Termin dostawy: 30 dni
Termin dostawy: 30 dni
0 szt
30 dni
Materiał / Składowe:
Stal czerniona
Dopuszczalna temperatura pracy materiału/produktu:
-40°C do +200°C
Ciśnienie medium:
NA
F1 - Gwint wewnętrzny:
M12x1,5
A - Wysokość:
NA
D - Szerokość:
NA
Zastosowanie:
- Automotive
- Centralne smarowanie
- Hydraulika siłowa mobilna i przemysłowa
- Instalacje grzewcze
- Instalacje sprężonego powietrza
- Prasy hydrauliczne
- Przemysł budowlany
- Przemysł górniczy
- Przemysł maszynowy
- Przemysł okrętowy
- Przemysł rolniczy
Medium:
- Olej napędowy
- Argon
- Azot
- Olej mineralny
- Olej hydrauliczny
- Próżnia
- Sprężone powietrze
- Glikol
Opcje połączeniowe / Propozycje instalacyjne:
- Do flanszy i przyłączy pomp zębatych
- Do zbiorników
- Do złączy
- Do przyłączy
- Do zaworów funkcyjnych
- Do rozdzielaczy
- Do zaworów kulowych
- Do szybkozłączy
- Do siłowników hydraulicznych
- Do silników hydraulicznych
- Do płyt i bloków przyłączeniowych
- Do końcówek w elastycznych gotowych przewodach
- Do rur precyzyjnych bezszwowych
- Do przewodów Tekalan
- Do przewodów PU, PA, PE
- Do rur miedzianych
- Do rur aluminiowych
Zalety materiału/produktu:
- Wykonany ze stali ocynkowanej lub stali nierdzewnej zgodne jest z normą DIN 2353 (PN-ISO 8437-1).
- Zwiększona ochrona przed korozją chemiczną
- Praca pod wysokim ciśnieniem
- Brak adsorpcji nieprzyjemnych zapachów
- Odporność na promieniowanie słoneczne UV
- Dobre przewodnictwo cieplne
- Praca w trudnych warunkach
- Duży wybór materiałów uszczelniających
- Odporność na działanie obciążeń mechanicznych
- Odporność na działanie wysokich temperatur
Magazyn PL: Na zamówienie
Termin dostawy: 14 dni
Termin dostawy: 14 dni
Na zamówienie
Magazyn EU: 0 szt
Termin dostawy: 30 dni
Termin dostawy: 30 dni
0 szt
30 dni
Materiał / Składowe:
Stal węglowa Cr(VI)-free/Zn-Ni
Dopuszczalna temperatura pracy materiału/produktu:
-40°C do +200°C
Ciśnienie medium:
315 BAR
F1 - Gwint zewnętrzny:
M12x1,5
F2 - Gwint zewnętrzny:
M12x1,5
T1 - Rozmiar na rurę:
6 mm
H - Rozmiar na klucz:
17 mm
A - Długość:
16 mm
L1 - Długość:
7 mm
L2 - Długość:
27 mm
L3 - Długość:
14 mm
L4 - Długość:
34 mm
Zastosowanie:
- Automotive
- Centralne smarowanie
- Hydraulika siłowa mobilna i przemysłowa
- Instalacje grzewcze
- Instalacje sprężonego powietrza
- Prasy hydrauliczne
- Przemysł budowlany
- Przemysł maszynowy
- Przemysł okrętowy
- Przemysł rolniczy
Medium:
- Olej napędowy
- Argon
- Azot
- Olej mineralny
- Olej hydrauliczny
- Próżnia
- Sprężone powietrze
- Glikol
Opcje połączeniowe / Propozycje instalacyjne:
- Do złączy
- Do przyłączy
- Do zamontowania przez ściankę/blachę grodziową
- Do szybkozłączy
- Do końcówek w elastycznych gotowych przewodach
- Do rur precyzyjnych bezszwowych
- Do przewodów Tekalan
- Do przewodów PU, PA, PE
- Do rur miedzianych
- Do rur aluminiowych
Zalety materiału/produktu:
- Wykonany ze stali ocynkowanej lub stali nierdzewnej zgodne jest z normą DIN 2353 (PN-ISO 8437-1).
- Zwiększona ochrona przed korozją chemiczną
- Praca pod wysokim ciśnieniem
- Brak adsorpcji nieprzyjemnych zapachów
- Odporność na promieniowanie słoneczne UV
- Dobre przewodnictwo cieplne
- Praca w trudnych warunkach
- Duży wybór materiałów uszczelniających
- Odporność na działanie obciążeń mechanicznych
- Odporność na działanie wysokich temperatur
Magazyn PL: 9 szt
Termin dostawy: 48 h
Termin dostawy: 48 h
9 szt
48 h
Magazyn EU: 9837 szt
Termin dostawy: 4 dni
Termin dostawy: 4 dni
9837 szt
4 dni
Materiał / Składowe:
Stal węglowa Cr(VI)-free/Zn-Ni
Dopuszczalna temperatura pracy materiału/produktu:
-40°C do +200°C
Ciśnienie medium:
315 BAR
F1 - Gwint zewnętrzny:
12x1,5
F2 - Gwint zewnętrzny:
1/8" BSPP
T1 - Rozmiar na rurę:
6 mm
H - Rozmiar na klucz:
17 mm
A MAX:
16 mm
L1 - Długość:
8 mm
L2 - Długość:
32,5 mm
L3 - Długość:
39,5 mm
Zastosowanie:
- Automotive
- Centralne smarowanie
- Hydraulika siłowa mobilna i przemysłowa
- Instalacje grzewcze
- Instalacje sprężonego powietrza
- Prasy hydrauliczne
- Przemysł budowlany
- Przemysł górniczy
- Przemysł maszynowy
- Przemysł okrętowy
- Przemysł rolniczy
Medium:
- Olej napędowy
- Argon
- Azot
- Olej mineralny
- Olej hydrauliczny
- Próżnia
- Sprężone powietrze
- Glikol
Opcje połączeniowe / Propozycje instalacyjne:
- Do flanszy i przyłączy pomp zębatych
- Do zbiorników
- Do chłodnic
- Do filtrów
- Do zamontowania przez ściankę/blachę grodziową
- Do zaworów funkcyjnych
- Do rozdzielaczy
- Do zaworów kulowych
- Do szybkozłączy
- Do siłowników hydraulicznych
- Do silników hydraulicznych
- Do płyt i bloków przyłączeniowych
- Do końcówek w elastycznych gotowych przewodach
- Do rur precyzyjnych bezszwowych
- Do przewodów Tekalan
- Do przewodów PU, PA, PE
- Do rur miedzianych
- Do rur aluminiowych
Zalety materiału/produktu:
- Wykonany ze stali ocynkowanej lub stali nierdzewnej zgodne jest z normą DIN 2353 (PN-ISO 8437-1).
- Zwiększona ochrona przed korozją chemiczną
- Praca pod wysokim ciśnieniem
- Brak adsorpcji nieprzyjemnych zapachów
- Odporność na promieniowanie słoneczne UV
- Dobre przewodnictwo cieplne
- Praca w trudnych warunkach
- Duży wybór materiałów uszczelniających
- Odporność na działanie obciążeń mechanicznych
- Odporność na działanie wysokich temperatur
Magazyn PL: Na zamówienie
Termin dostawy: 14 dni
Termin dostawy: 14 dni
Na zamówienie
Magazyn EU: 0 szt
Termin dostawy: 30 dni
Termin dostawy: 30 dni
0 szt
30 dni
Materiał / Składowe:
Stal węglowa Cr(VI)-free/Zn-Ni
Dopuszczalna temperatura pracy materiału/produktu:
-40°C do +200°C
Ciśnienie medium:
315 BAR
F1 - Gwint zewnętrzny:
M12x1,5
F2 - Gwint zewnętrzny:
7/16" UNF
T - Rozmiar na rurę:
6 mm
H - Rozmiar na klucz:
14 mm
L1 - Długość:
9 mm
L2 - Długość:
10 mm
L3 - Długość:
17 mm
Zastosowanie:
- Automotive
- Centralne smarowanie
- Hydraulika siłowa mobilna i przemysłowa
- Instalacje grzewcze
- Instalacje sprężonego powietrza
- Prasy hydrauliczne
- Przemysł budowlany
- Przemysł górniczy
- Przemysł maszynowy
- Przemysł okrętowy
- Przemysł rolniczy
Medium:
- Olej napędowy
- Argon
- Azot
- Olej mineralny
- Olej hydrauliczny
- Próżnia
- Sprężone powietrze
- Glikol
Opcje połączeniowe / Propozycje instalacyjne:
- Do flanszy i przyłączy pomp zębatych
- Do zbiorników
- Do chłodnic
- Do filtrów
- Do złączy
- Do zaworów funkcyjnych
- Do rozdzielaczy
- Do zaworów kulowych
- Do szybkozłączy
- Do siłowników hydraulicznych
- Do silników hydraulicznych
- Do płyt i bloków przyłączeniowych
- Do końcówek w elastycznych gotowych przewodach
- Do rur precyzyjnych bezszwowych
- Do przewodów Tekalan
- Do przewodów PU, PA, PE
- Do rur miedzianych
- Do rur aluminiowych
Zalety materiału/produktu:
- Wykonany ze stali ocynkowanej lub stali nierdzewnej zgodne jest z normą DIN 2353 (PN-ISO 8437-1).
- Zwiększona ochrona przed korozją chemiczną
- Praca pod wysokim ciśnieniem
- Brak adsorpcji nieprzyjemnych zapachów
- Odporność na promieniowanie słoneczne UV
- Dobre przewodnictwo cieplne
- Praca w trudnych warunkach
- Duży wybór materiałów uszczelniających
- Odporność na działanie obciążeń mechanicznych
- Odporność na działanie wysokich temperatur
Magazyn PL: 1 szt
Termin dostawy: 48 h
Termin dostawy: 48 h
1 szt
48 h
Magazyn EU: 2086 szt
Termin dostawy: 4 dni
Termin dostawy: 4 dni
2086 szt
4 dni
Materiał / Składowe:
Stal węglowa Cr(VI)-free/Zn-Ni
Dopuszczalna temperatura pracy materiału/produktu:
-40°C do +200°C
Ciśnienie medium:
315 BAR
F1 - Gwint zewnętrzny:
M12x1,5
F2 - Gwint zewnętrzny:
1/8" NPT
T - Rozmiar na rurę:
6 mm
H - Rozmiar na klucz:
12 mm
L1 - Długość:
10 mm
L2 - Długość:
7 mm
L3 - Długość:
14 mm
Zastosowanie:
- Automotive
- Centralne smarowanie
- Hydraulika siłowa mobilna i przemysłowa
- Instalacje grzewcze
- Instalacje sprężonego powietrza
- Prasy hydrauliczne
- Przemysł budowlany
- Przemysł górniczy
- Przemysł maszynowy
- Przemysł okrętowy
- Przemysł rolniczy
Medium:
- Olej napędowy
- Argon
- Azot
- Olej mineralny
- Olej hydrauliczny
- Próżnia
- Sprężone powietrze
- Glikol
Opcje połączeniowe / Propozycje instalacyjne:
- Do flanszy i przyłączy pomp zębatych
- Do chłodnic
- Do filtrów
- Do złączy
- Do zaworów funkcyjnych
- Do rozdzielaczy
- Do zaworów kulowych
- Do szybkozłączy
- Do siłowników hydraulicznych
- Do płyt i bloków przyłączeniowych
- Do końcówek w elastycznych gotowych przewodach
- Do rur precyzyjnych bezszwowych
- Do przewodów Tekalan
- Do przewodów PU, PA, PE
- Do rur miedzianych
- Do rur aluminiowych
Zalety materiału/produktu:
- Wykonany ze stali ocynkowanej lub stali nierdzewnej zgodne jest z normą DIN 2353 (PN-ISO 8437-1).
- Zwiększona ochrona przed korozją chemiczną
- Praca pod wysokim ciśnieniem
- Brak adsorpcji nieprzyjemnych zapachów
- Odporność na promieniowanie słoneczne UV
- Dobre przewodnictwo cieplne
- Praca w trudnych warunkach
- Duży wybór materiałów uszczelniających
- Odporność na działanie obciążeń mechanicznych
- Odporność na działanie wysokich temperatur
Magazyn PL: 15 szt
Termin dostawy: 48 h
Termin dostawy: 48 h
15 szt
48 h
Magazyn EU: 5158 szt
Termin dostawy: 4 dni
Termin dostawy: 4 dni
5158 szt
4 dni
Materiał / Składowe:
Stal węglowa Cr(VI)-free/Zn-Ni
Dopuszczalna temperatura pracy materiału/produktu:
-40°C do +200°C
Ciśnienie medium:
315 BAR
F1 - Gwint wewnętrzny:
M12x1,5
F2 - Gwint zewnętrzny:
1/8" BSPP
T - Rozmiar na rurę:
6 mm
H - Rozmiar na klucz:
14 mm
L1 - Długość:
8 mm
L2 - Długość:
24,5 mm
D:
14 mm
Zastosowanie:
- Automotive
- Centralne smarowanie
- Hydraulika siłowa mobilna i przemysłowa
- Instalacje grzewcze
- Instalacje sprężonego powietrza
- Prasy hydrauliczne
- Przemysł budowlany
- Przemysł górniczy
- Przemysł maszynowy
- Przemysł okrętowy
- Przemysł rolniczy
Medium:
- Olej napędowy
- Argon
- Azot
- Olej mineralny
- Olej hydrauliczny
- Próżnia
- Sprężone powietrze
- Glikol
Opcje połączeniowe / Propozycje instalacyjne:
- Do flanszy i przyłączy pomp zębatych
- Do zbiorników
- Do chłodnic
- Do filtrów
- Do złączy
- Do zaworów funkcyjnych
- Do rozdzielaczy
- Do zaworów kulowych
- Do szybkozłączy
- Do siłowników hydraulicznych
- Do silników hydraulicznych
- Do bloków pneumatycznych
- Do płyt i bloków przyłączeniowych
- Do końcówek w elastycznych gotowych przewodach
- Do rur precyzyjnych bezszwowych
- Do przewodów Tekalan
- Do przewodów PU, PA, PE
- Do rur miedzianych
- Do rur aluminiowych
Zalety materiału/produktu:
- Wykonany ze stali ocynkowanej lub stali nierdzewnej zgodne jest z normą DIN 2353 (PN-ISO 8437-1).
- Zwiększona ochrona przed korozją chemiczną
- Praca pod wysokim ciśnieniem
- Brak adsorpcji nieprzyjemnych zapachów
- Odporność na promieniowanie słoneczne UV
- Dobre przewodnictwo cieplne
- Praca w trudnych warunkach
- Duży wybór materiałów uszczelniających
- Odporność na działanie obciążeń mechanicznych
- Odporność na działanie wysokich temperatur
Magazyn PL: 8 szt
Termin dostawy: 48 h
Termin dostawy: 48 h
8 szt
48 h
Magazyn EU: 6145 szt
Termin dostawy: 4 dni
Termin dostawy: 4 dni
6145 szt
4 dni
Materiał / Składowe:
Stal węglowa Cr(VI)-free/Zn-Ni
Dopuszczalna temperatura pracy materiału/produktu:
-40°C do +200°C
Ciśnienie medium:
120 BAR
F1 - Gwint zewnętrzny:
M8x1,0
F2 - Gwint zewnętrzny:
M8x1,0
T - Rozmiar na rurę:
4 mm
H - Rozmiar na klucz:
9 mm
L1 - Długość:
6,5 mm
L2 - Długość:
20 mm
Zastosowanie:
- Automotive
- Centralne smarowanie
- Hydraulika siłowa mobilna i przemysłowa
- Instalacje grzewcze
- Instalacje sprężonego powietrza
- Prasy hydrauliczne
- Przemysł budowlany
- Przemysł górniczy
- Przemysł maszynowy
- Przemysł okrętowy
- Przemysł rolniczy
Medium:
- Olej napędowy
- Argon
- Azot
- Olej mineralny
- Olej hydrauliczny
- Próżnia
- Sprężone powietrze
- Glikol
Opcje połączeniowe / Propozycje instalacyjne:
- Do złączy
- Do końcówek w elastycznych gotowych przewodach
- Do rur precyzyjnych bezszwowych
- Do przewodów Tekalan
- Do przewodów PU, PA, PE
- Do rur miedzianych
- Do rur aluminiowych
Zalety materiału/produktu:
- Wykonany ze stali ocynkowanej lub stali nierdzewnej zgodne jest z normą DIN 2353 (PN-ISO 8437-1).
- Zwiększona ochrona przed korozją chemiczną
- Praca pod wysokim ciśnieniem
- Brak adsorpcji nieprzyjemnych zapachów
- Odporność na promieniowanie słoneczne UV
- Dobre przewodnictwo cieplne
- Praca w trudnych warunkach
- Duży wybór materiałów uszczelniających
- Odporność na działanie obciążeń mechanicznych
- Odporność na działanie wysokich temperatur
Magazyn PL: 17 szt
Termin dostawy: 48 h
Termin dostawy: 48 h
17 szt
48 h
Magazyn EU: 4263 szt
Termin dostawy: 4 dni
Termin dostawy: 4 dni
4263 szt
4 dni
Polecane
Materiał / Składowe:
Stal węglowa Cr(VI)-free/Zn-Ni
Dopuszczalna temperatura pracy materiału/produktu:
-40°C do +200°C
Ciśnienie medium:
315 BAR
F1 - Gwint zewnętrzny:
12x1,5
F2 - Gwint wewnętrzny:
10x1,0
T - Rozmiar na rurę:
6 mm
H - Rozmiar na klucz:
14 mm
L1 - Długość:
10 mm
L2 - Długość:
9 mm
L3 - Długość:
16 mm
Zastosowanie:
- Automotive
- Centralne smarowanie
- Hydraulika siłowa mobilna i przemysłowa
- Instalacje grzewcze
- Instalacje sprężonego powietrza
- Prasy hydrauliczne
- Przemysł budowlany
- Przemysł górniczy
- Przemysł maszynowy
- Przemysł okrętowy
- Przemysł rolniczy
Medium:
- Olej napędowy
- Argon
- Azot
- Olej mineralny
- Olej hydrauliczny
- Próżnia
- Sprężone powietrze
- Glikol
Opcje połączeniowe / Propozycje instalacyjne:
- Do flanszy i przyłączy pomp zębatych
- Do zbiorników
- Do chłodnic
- Do filtrów
- Do złączy
- Do przyłączy
- Do zaworów funkcyjnych
- Do zaworów kulowych
- Do szybkozłączy
- Do siłowników hydraulicznych
- Do silników hydraulicznych
- Do płyt i bloków przyłączeniowych
- Do końcówek w elastycznych gotowych przewodach
- Do rur precyzyjnych bezszwowych
- Do przewodów Tekalan
- Do przewodów PU, PA, PE
- Do rur miedzianych
- Do rur aluminiowych
Zalety materiału/produktu:
- Wykonany ze stali ocynkowanej lub stali nierdzewnej zgodne jest z normą DIN 2353 (PN-ISO 8437-1).
- Zwiększona ochrona przed korozją chemiczną
- Praca pod wysokim ciśnieniem
- Brak adsorpcji nieprzyjemnych zapachów
- Odporność na promieniowanie słoneczne UV
- Dobre przewodnictwo cieplne
- Praca w trudnych warunkach
- Duży wybór materiałów uszczelniających
- Odporność na działanie obciążeń mechanicznych
- Odporność na działanie wysokich temperatur
Magazyn PL: 16 szt
Termin dostawy: 48 h
Termin dostawy: 48 h
16 szt
48 h
Magazyn EU: 3614 szt
Termin dostawy: 4 dni
Termin dostawy: 4 dni
3614 szt
4 dni
Materiał / Składowe:
Stal węglowa Cr(VI)-free/Zn-Ni
Dopuszczalna temperatura pracy materiału/produktu:
-40°C do +200°C
Ciśnienie medium:
315 BAR
F1 - Gwint zewnętrzny:
M12x1,5
F2 - Gwint zewnętrzny:
M10x1,0
T - Rozmiar na rurę:
6 mm
H - Rozmiar na klucz:
14 mm
L1 - Długość:
8 mm
L2- Długość:
8,5 mm
L3- Długość:
15,5 mm
Zastosowanie:
- Automotive
- Centralne smarowanie
- Hydraulika siłowa mobilna i przemysłowa
- Instalacje grzewcze
- Instalacje sprężonego powietrza
- Prasy hydrauliczne
- Przemysł budowlany
- Przemysł górniczy
- Przemysł maszynowy
- Przemysł okrętowy
- Przemysł rolniczy
Medium:
- Olej napędowy
- Argon
- Azot
- Olej mineralny
- Olej hydrauliczny
- Próżnia
- Sprężone powietrze
- Glikol
Opcje połączeniowe / Propozycje instalacyjne:
- Do flanszy i przyłączy pomp zębatych
- Do zbiorników
- Do chłodnic
- Do filtrów
- Do złączy
- Do zaworów funkcyjnych
- Do rozdzielaczy
- Do zaworów kulowych
- Do szybkozłączy
- Do siłowników hydraulicznych
- Do silników hydraulicznych
- Do płyt i bloków przyłączeniowych
- Do końcówek w elastycznych gotowych przewodach
- Do rur precyzyjnych bezszwowych
- Do przewodów PU, PA, PE
- Do rur miedzianych
- Do rur aluminiowych
Zalety materiału/produktu:
- Wykonany ze stali ocynkowanej lub stali nierdzewnej zgodne jest z normą DIN 2353 (PN-ISO 8437-1).
- Zwiększona ochrona przed korozją chemiczną
- Praca pod wysokim ciśnieniem
- Brak adsorpcji nieprzyjemnych zapachów
- Odporność na promieniowanie słoneczne UV
- Dobre przewodnictwo cieplne
- Praca w trudnych warunkach
- Duży wybór materiałów uszczelniających
- Odporność na działanie obciążeń mechanicznych
- Odporność na działanie wysokich temperatur
Magazyn PL: 19 szt
Termin dostawy: 48 h
Termin dostawy: 48 h
19 szt
48 h
Magazyn EU: 4853 szt
Termin dostawy: 4 dni
Termin dostawy: 4 dni
4853 szt
4 dni
Materiał / Składowe:
Stal węglowa Cr(VI)-free/Zn-Ni
Dopuszczalna temperatura pracy materiału/produktu:
-40°C do +200°C
Ciśnienie medium:
315 BAR
F1 - Gwint wewnętrzny:
M12x1,5
F2 - Gwint zewnętrzny:
M10x1,0
T - Rozmiar na rurę:
6 mm
H - Rozmiar na klucz:
14 mm
L1 - Długość:
8 mm
L2 - Długość:
24,5 mm
D:
14 mm
Zastosowanie:
- Automotive
- Centralne smarowanie
- Hydraulika siłowa mobilna i przemysłowa
- Instalacje grzewcze
- Instalacje sprężonego powietrza
- Prasy hydrauliczne
- Przemysł budowlany
- Przemysł górniczy
- Przemysł maszynowy
- Przemysł okrętowy
- Przemysł rolniczy
Medium:
- Olej napędowy
- Argon
- Azot
- Olej mineralny
- Olej hydrauliczny
- Próżnia
- Sprężone powietrze
- Glikol
Opcje połączeniowe / Propozycje instalacyjne:
- Do flanszy i przyłączy pomp zębatych
- Do zbiorników
- Do chłodnic
- Do filtrów
- Do złączy
- Do zaworów funkcyjnych
- Do rozdzielaczy
- Do zaworów kulowych
- Do szybkozłączy
- Do siłowników hydraulicznych
- Do silników hydraulicznych
- Do płyt i bloków przyłączeniowych
- Do końcówek w elastycznych gotowych przewodach
- Do rur precyzyjnych bezszwowych
- Do przewodów Tekalan
- Do przewodów PU, PA, PE
- Do rur miedzianych
- Do rur aluminiowych
Zalety materiału/produktu:
- Wykonany ze stali ocynkowanej lub stali nierdzewnej zgodne jest z normą DIN 2353 (PN-ISO 8437-1).
- Zwiększona ochrona przed korozją chemiczną
- Praca pod wysokim ciśnieniem
- Brak adsorpcji nieprzyjemnych zapachów
- Odporność na promieniowanie słoneczne UV
- Dobre przewodnictwo cieplne
- Praca w trudnych warunkach
- Duży wybór materiałów uszczelniających
- Odporność na działanie obciążeń mechanicznych
- Odporność na działanie wysokich temperatur
Magazyn PL: 11 szt
Termin dostawy: 48 h
Termin dostawy: 48 h
11 szt
48 h
Magazyn EU: 9632 szt
Termin dostawy: 4 dni
Termin dostawy: 4 dni
9632 szt
4 dni
Materiał / Składowe:
Stal węglowa Cr(VI)-free/Zn-Ni
Dopuszczalna temperatura pracy materiału/produktu:
-40°C do +200°C
Ciśnienie medium:
NA
F1 - Gwint zewnętrzny:
M10x1,0
F2 - Gwint zewnętrzny:
M6x1,0
T - Rozmiar na rurę:
6 mm
H - Rozmiar na klucz:
NA
L1 - Długość:
NA
L2 - Długość:
NA
L3 - Długość:
NA
Zastosowanie:
- Automotive
- Centralne smarowanie
- Hydraulika siłowa mobilna i przemysłowa
- Instalacje grzewcze
- Instalacje sprężonego powietrza
- Prasy hydrauliczne
- Przemysł budowlany
- Przemysł górniczy
- Przemysł maszynowy
- Przemysł okrętowy
- Przemysł rolniczy
Medium:
- Olej napędowy
- Argon
- Azot
- Olej mineralny
- Olej hydrauliczny
- Próżnia
- Sprężone powietrze
- Glikol
Opcje połączeniowe / Propozycje instalacyjne:
- Do flanszy i przyłączy pomp zębatych
- Do zbiorników
- Do chłodnic
- Do filtrów
- Do złączy
- Do zaworów funkcyjnych
- Do rozdzielaczy
- Do zaworów kulowych
- Do szybkozłączy
- Do siłowników hydraulicznych
- Do silników hydraulicznych
- Do płyt i bloków przyłączeniowych
- Do końcówek w elastycznych gotowych przewodach
- Do rur precyzyjnych bezszwowych
- Do przewodów Tekalan
- Do przewodów PU, PA, PE
- Do rur miedzianych
- Do rur aluminiowych
Zalety materiału/produktu:
- Wykonany ze stali ocynkowanej lub stali nierdzewnej zgodne jest z normą DIN 2353 (PN-ISO 8437-1).
- Zwiększona ochrona przed korozją chemiczną
- Praca pod wysokim ciśnieniem
- Brak adsorpcji nieprzyjemnych zapachów
- Odporność na promieniowanie słoneczne UV
- Dobre przewodnictwo cieplne
- Praca w trudnych warunkach
- Duży wybór materiałów uszczelniających
- Odporność na działanie obciążeń mechanicznych
- Odporność na działanie wysokich temperatur
Magazyn PL: 46 szt
Termin dostawy: 48 h
Termin dostawy: 48 h
46 szt
48 h
Magazyn EU: 7255 szt
Termin dostawy: 4 dni
Termin dostawy: 4 dni
7255 szt
4 dni
Materiał / Składowe:
Stal węglowa Cr(VI)-free/Zn-Ni
Dopuszczalna temperatura pracy materiału/produktu:
-40°C do +200°C
Ciśnienie medium:
NA
F1 - Gwint zewnętrzny:
M10x1,0
F2 - Gwint zewnętrzny:
1/8" BSPP
T - Rozmiar na rurę:
6 mm
H - Rozmiar na klucz:
NA
L1 - Długość:
NA
L2 - Długość:
NA
L3 - Długość:
NA
Zastosowanie:
- Automotive
- Centralne smarowanie
- Hydraulika siłowa mobilna i przemysłowa
- Instalacje grzewcze
- Instalacje sprężonego powietrza
- Prasy hydrauliczne
- Przemysł budowlany
- Przemysł górniczy
- Przemysł maszynowy
- Przemysł okrętowy
- Przemysł rolniczy
Medium:
- Olej napędowy
- Argon
- Azot
- Olej mineralny
- Olej hydrauliczny
- Próżnia
- Sprężone powietrze
- Glikol
Opcje połączeniowe / Propozycje instalacyjne:
- Do flanszy i przyłączy pomp zębatych
- Do zbiorników
- Do chłodnic
- Do filtrów
- Do złączy
- Do przyłączy
- Do zaworów funkcyjnych
- Do rozdzielaczy
- Do zaworów kulowych
- Do szybkozłączy
- Do siłowników hydraulicznych
- Do silników hydraulicznych
- Do płyt i bloków przyłączeniowych
- Do końcówek w elastycznych gotowych przewodach
- Do rur precyzyjnych bezszwowych
- Do przewodów Tekalan
- Do przewodów PU, PA, PE
- Do rur miedzianych
- Do rur aluminiowych
Zalety materiału/produktu:
- Wykonany ze stali ocynkowanej lub stali nierdzewnej zgodne jest z normą DIN 2353 (PN-ISO 8437-1).
- Zwiększona ochrona przed korozją chemiczną
- Praca pod wysokim ciśnieniem
- Brak adsorpcji nieprzyjemnych zapachów
- Odporność na promieniowanie słoneczne UV
- Dobre przewodnictwo cieplne
- Praca w trudnych warunkach
- Duży wybór materiałów uszczelniających
- Odporność na działanie obciążeń mechanicznych
- Odporność na działanie wysokich temperatur
Magazyn PL: 15 szt
Termin dostawy: 48 h
Termin dostawy: 48 h
15 szt
48 h
Magazyn EU: 8993 szt
Termin dostawy: 4 dni
Termin dostawy: 4 dni
8993 szt
4 dni
Materiał / Składowe:
Stal węglowa Cr(VI)-free/Zn-Ni
Dopuszczalna temperatura pracy materiału/produktu:
-40°C do +200°C
Ciśnienie medium:
NA
F1 - Gwint zewnętrzny:
M8x1,0
F2 - Gwint zewnętrzny:
1/8" BSPT
T - Rozmiar na rurę:
4 mm
H - Rozmiar na klucz:
NA
L1 - Długość:
NA
L2 - Długość:
NA
L3 - Długość:
NA
Zastosowanie:
- Automotive
- Centralne smarowanie
- Hydraulika siłowa mobilna i przemysłowa
- Instalacje grzewcze
- Instalacje sprężonego powietrza
- Prasy hydrauliczne
- Przemysł budowlany
- Przemysł górniczy
- Przemysł maszynowy
- Przemysł okrętowy
- Przemysł rolniczy
Medium:
- Olej napędowy
- Argon
- Azot
- Olej mineralny
- Olej hydrauliczny
- Próżnia
- Sprężone powietrze
- Glikol
Opcje połączeniowe / Propozycje instalacyjne:
- Do flanszy i przyłączy pomp zębatych
- Do zbiorników
- Do chłodnic
- Do filtrów
- Do zaworów funkcyjnych
- Do rozdzielaczy
- Do zaworów kulowych
- Do szybkozłączy
- Do siłowników hydraulicznych
- Do silników hydraulicznych
- Do płyt i bloków przyłączeniowych
- Do końcówek w elastycznych gotowych przewodach
- Do rur precyzyjnych bezszwowych
- Do przewodów Tekalan
- Do przewodów PU, PA, PE
- Do rur miedzianych
- Do rur aluminiowych
Zalety materiału/produktu:
- Wykonany ze stali ocynkowanej lub stali nierdzewnej zgodne jest z normą DIN 2353 (PN-ISO 8437-1).
- Zwiększona ochrona przed korozją chemiczną
- Praca pod wysokim ciśnieniem
- Brak adsorpcji nieprzyjemnych zapachów
- Odporność na promieniowanie słoneczne UV
- Dobre przewodnictwo cieplne
- Praca w trudnych warunkach
- Duży wybór materiałów uszczelniających
- Odporność na działanie obciążeń mechanicznych
- Odporność na działanie wysokich temperatur
Magazyn PL: 4 szt
Termin dostawy: 48 h
Termin dostawy: 48 h
4 szt
48 h
Magazyn EU: 5157 szt
Termin dostawy: 4 dni
Termin dostawy: 4 dni
5157 szt
4 dni
Materiał / Składowe:
Stal węglowa Cr(VI)-free/Zn-Ni
Dopuszczalna temperatura pracy materiału/produktu:
-40°C do +200°C
Ciśnienie medium:
NA
F1 - Gwint zewnętrzny:
M10x1,0
F2 - Gwint zewnętrzny:
M10x1,0
T - Rozmiar na rurę:
6 mm
H - Rozmiar na klucz:
NA
L1 - Długość:
NA
L2 - Długość:
NA
L3 - Długość:
NA
Zastosowanie:
- Automotive
- Centralne smarowanie
- Hydraulika siłowa mobilna i przemysłowa
- Instalacje grzewcze
- Instalacje sprężonego powietrza
- Prasy hydrauliczne
- Przemysł budowlany
- Przemysł górniczy
- Przemysł maszynowy
- Przemysł okrętowy
- Przemysł rolniczy
Medium:
- Olej napędowy
- Argon
- Azot
- Olej mineralny
- Olej hydrauliczny
- Próżnia
- Sprężone powietrze
- Glikol
Opcje połączeniowe / Propozycje instalacyjne:
- Do flanszy i przyłączy pomp zębatych
- Do zbiorników
- Do chłodnic
- Do filtrów
- Do złączy
- Do zaworów funkcyjnych
- Do rozdzielaczy
- Do zaworów kulowych
- Do szybkozłączy
- Do siłowników hydraulicznych
- Do silników hydraulicznych
- Do płyt i bloków przyłączeniowych
- Do końcówek w elastycznych gotowych przewodach
- Do rur precyzyjnych bezszwowych
- Do przewodów Tekalan
- Do przewodów PU, PA, PE
- Do rur miedzianych
- Do rur aluminiowych
Zalety materiału/produktu:
- Wykonany ze stali ocynkowanej lub stali nierdzewnej zgodne jest z normą DIN 2353 (PN-ISO 8437-1).
- Zwiększona ochrona przed korozją chemiczną
- Praca pod wysokim ciśnieniem
- Brak adsorpcji nieprzyjemnych zapachów
- Odporność na promieniowanie słoneczne UV
- Dobre przewodnictwo cieplne
- Praca w trudnych warunkach
- Duży wybór materiałów uszczelniających
- Odporność na działanie obciążeń mechanicznych
- Odporność na działanie wysokich temperatur
Magazyn PL: 23 szt
Termin dostawy: 48 h
Termin dostawy: 48 h
23 szt
48 h
Magazyn EU: 1823 szt
Termin dostawy: 4 dni
Termin dostawy: 4 dni
1823 szt
4 dni
Materiał / Składowe:
Stal węglowa Cr(VI)-free/Zn-Ni
Dopuszczalna temperatura pracy materiału/produktu:
-40°C do +200°C
Ciśnienie medium:
315 BAR
F1 - Gwint zewnętrzny:
12x1,5
F2 - Gwint wewnętrzny:
1/8" BSPP
T1 - Rozmiar na rurę:
6 mm
H - Rozmiar na klucz:
14 mm
L1 - Długość:
10 mm
L2 - Długość:
9 mm
L3 - Długość:
16 mm
Zastosowanie:
- Automotive
- Centralne smarowanie
- Hydraulika siłowa mobilna i przemysłowa
- Instalacje grzewcze
- Instalacje sprężonego powietrza
- Prasy hydrauliczne
- Przemysł budowlany
- Przemysł górniczy
- Przemysł maszynowy
- Przemysł okrętowy
- Przemysł rolniczy
Medium:
- Olej napędowy
- Argon
- Azot
- Olej mineralny
- Olej hydrauliczny
- Próżnia
- Sprężone powietrze
- Glikol
Opcje połączeniowe / Propozycje instalacyjne:
- Do flanszy i przyłączy pomp zębatych
- Do zbiorników
- Do chłodnic
- Do filtrów
- Do złączy
- Do przyłączy
- Do zaworów funkcyjnych
- Do rozdzielaczy
- Do zaworów kulowych
- Do szybkozłączy
- Do siłowników hydraulicznych
- Do silników hydraulicznych
- Do płyt i bloków przyłączeniowych
- Do końcówek w elastycznych gotowych przewodach
- Do rur precyzyjnych bezszwowych
- Do przewodów Tekalan
- Do przewodów PU, PA, PE
- Do rur miedzianych
- Do rur aluminiowych
Zalety materiału/produktu:
- Wykonany ze stali ocynkowanej lub stali nierdzewnej zgodne jest z normą DIN 2353 (PN-ISO 8437-1).
- Zwiększona ochrona przed korozją chemiczną
- Praca pod wysokim ciśnieniem
- Brak adsorpcji nieprzyjemnych zapachów
- Odporność na promieniowanie słoneczne UV
- Dobre przewodnictwo cieplne
- Praca w trudnych warunkach
- Duży wybór materiałów uszczelniających
- Odporność na działanie obciążeń mechanicznych
- Odporność na działanie wysokich temperatur
Magazyn PL: 3 szt
Termin dostawy: 48 h
Termin dostawy: 48 h
3 szt
48 h
Magazyn EU: 8361 szt
Termin dostawy: 4 dni
Termin dostawy: 4 dni
8361 szt
4 dni
Materiał / Składowe:
Stal węglowa Cr(VI)-free/Zn-Ni
Dopuszczalna temperatura pracy materiału/produktu:
-40°C do +200°C
Ciśnienie medium:
200 BAR
F1 - Gwint zewnętrzny:
M12x1,5
F2 - Gwint zewnętrzny:
M10x1,0
T1 - Rozmiar na rurę:
6 mm
T2 - Rozmiar na rurę:
6 mm
H - Rozmiar na klucz:
NA
L1 - Długość:
NA
L2 - Długość:
NA
Zastosowanie:
- Automotive
- Centralne smarowanie
- Hydraulika siłowa mobilna i przemysłowa
- Instalacje grzewcze
- Instalacje sprężonego powietrza
- Prasy hydrauliczne
- Przemysł budowlany
- Przemysł górniczy
- Przemysł maszynowy
- Przemysł okrętowy
- Przemysł rolniczy
Medium:
- Olej napędowy
- Argon
- Azot
- Olej mineralny
- Olej hydrauliczny
- Próżnia
- Sprężone powietrze
- Glikol
Opcje połączeniowe / Propozycje instalacyjne:
- Do złączy
- Do końcówek w elastycznych gotowych przewodach
- Do rur precyzyjnych bezszwowych
- Do przewodów Tekalan
- Do przewodów PU, PA, PE
- Do rur miedzianych
- Do rur aluminiowych
Zalety materiału/produktu:
- Wykonany ze stali ocynkowanej lub stali nierdzewnej zgodne jest z normą DIN 2353 (PN-ISO 8437-1).
- Zwiększona ochrona przed korozją chemiczną
- Praca pod wysokim ciśnieniem
- Brak adsorpcji nieprzyjemnych zapachów
- Odporność na promieniowanie słoneczne UV
- Dobre przewodnictwo cieplne
- Praca w trudnych warunkach
- Duży wybór materiałów uszczelniających
- Odporność na działanie obciążeń mechanicznych
- Odporność na działanie wysokich temperatur
Magazyn PL: Na zamówienie
Termin dostawy: 14 dni
Termin dostawy: 14 dni
Na zamówienie
Magazyn EU: 0 szt
Termin dostawy: 30 dni
Termin dostawy: 30 dni
0 szt
30 dni



















