Dno cylindra CFVP, Średnica tłoka: 40 mm, Średnica zewnętrzna cylindra: 50 mm
Kod produktu: HS-DC-CFVP-AL40mm-T50mm ID: 2515517Dane wariantu:
Materiał / Składowe:
Dno: Stal S355J0 (Fe510C) - S355JR (A105)
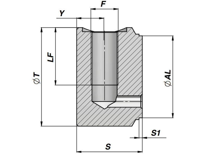
AL - Średnica wewnętrzna cylindra:
40 mm
T - średnica zewnętrzna cylindra:
50 mm
F:
1/4" BSPP
LF:
30 mm
Y:
17 mm
S:
40 mm
S1:
2 mm
Dane podstawowe:
Maksymalne ciśnienie robocze:
- 250 BAR - Wartość tego parametru zależna od zastosowania w układzie hydr.
Zastosowanie:
- Hydraulika siłowa mobilna i przemysłowa
- Prasy hydrauliczne
- Przemysł budowlany
- Przemysł górniczy
- Przemysł maszynowy
- Przemysł okrętowy
- Przemysł rolniczy
Medium:
- Olej mineralny
- Olej hydrauliczny
Dopuszczalna temperatura pracy materiału/produktu:
- -25°C do +80°C
Magazyn PL: 0 szt.
Termin dostawy: 30 dni
Termin dostawy: 30 dni
0 szt.
30 dni
Magazyn EU: 0 szt.
Termin dostawy: 30 dni
Termin dostawy: 30 dni
0 szt.
30 dni
| Wariant | Średnica tłoka | Średnica zewnętrzna cylindra | Dostępność | ||||
|---|---|---|---|---|---|---|---|



