Flansza AFSI, Materiał: Stal węglowa S355J2 (CR-6 free), Rozmiar flanszy: 1/2" SAE - L3000
Kod produktu: HS-PRO-AFSI-CR6-3000-1/2-AFSI301B ID: 2515800Dane wariantu:
Materiał / Składowe:
Stal węglowa Cr(VI)-free/Zn-Ni
Seria flanszy:
3000 PSI
Ciśnienie medium:
338 BAR
Rozmiar flanszy:
1/2" SAE
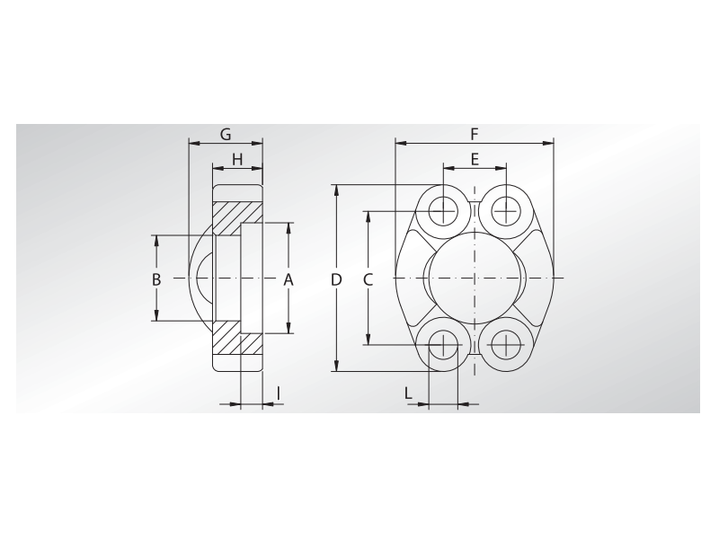
A:
30,96 mm
Średnica otworu:
8,75 mm
B:
24,26 mm
C:
38,1 mm
D:
54 mm
E:
17,48 mm
F:
45,6 mm
G:
19 mm
H:
13 mm
I:
6,22 mm
Propozycja rozmiaru śruby M:
M8x30
Propozycja rozmiaru śruby UNC:
5/16"x1.1/4"
Dane podstawowe:
Maksymalne ciśnienie robocze:
- Wskazane ciśnienie robocze odnosi się wyłącznie do oferowanego produktu. W przypadku łączenia z rurami, złączami, przyłączami itp. obowiązują wytyczne ciśnieniowe odpowiedniego producenta.
Zastosowanie:
- Automotive
- Hydraulika siłowa mobilna i przemysłowa
- Prasy hydrauliczne
- Przemysł budowlany
- Przemysł górniczy
- Przemysł maszynowy
- Przemysł okrętowy
- Przemysł rolniczy
Medium:
- Olej napędowy
- Olej mineralny
- Olej hydrauliczny
Dopuszczalna temperatura pracy materiału/produktu:
- -40°C do +90°C *Wyższe temperatury możliwe przy odpowiednio zmniejszonym ciśnieniu
Opcje połączeniowe / Propozycje instalacyjne:
- Do pomp hydraulicznych
- Cylindry przemysłowe
- Zastosowanie wysokociśnieniowe
- Kołnierze SAE
- Przemysł wydobywczy
- Maszyny mobilne
- Do przewodów hydraulicznych
- Do rozdzielaczy hydraulicznych
- Do flanszy i przyłączy pomp zębatych
- Do zbiorników
- Do chłodnic
- Do filtrów
- Do złączy
- Do przyłączy
- Do zaworów funkcyjnych
- Do zaworów kulowych
- Do szybkozłączy
- Do siłowników hydraulicznych
- Do płyt i bloków przyłączeniowych
Magazyn PL: 0 szt.
Termin dostawy: 30 dni
Termin dostawy: 30 dni
0 szt.
30 dni
Magazyn EU: 0 szt.
Termin dostawy: 30 dni
Termin dostawy: 30 dni
0 szt.
30 dni
| Wariant | Materiał | Rozmiar flanszy | Dostępność | ||||
|---|---|---|---|---|---|---|---|
