Jednodrogowy blok specjalny VNS 3/8" BSPP, Rozmiar gwintu: 3/8" BSPP
Kod produktu: HS-IZ-VNS-3/8BSPP ID: 2517405Dane wariantu:
Maksymalne ciśnienie:
350 BAR
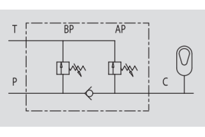
Rozmiar gwintu T-P:
3/8" BSPP
Rozmiar gwintu C:
3/8" BSPP
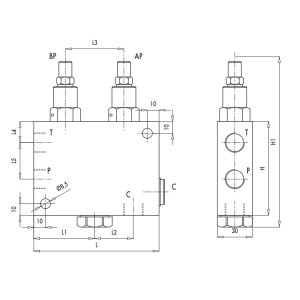
L:
107 mm
L1:
52 mm
L2:
33 mm
L3:
50 mm
L4:
18 mm
L5:
31 mm
H:
80 mm
H1:
140 mm
S:
30 mm
Dane podstawowe:
Materiał / Składowe:
- Stal węglowa Cr(VI)-free/Zn-Ni
Maksymalne ciśnienie robocze:
- Wskazane ciśnienie robocze odnosi się wyłącznie do oferowanego produktu. W przypadku łączenia z rurami, złączami, przyłączami itp. obowiązują wytyczne ciśnieniowe odpowiedniego producenta.
Zastosowanie:
- Automotive
- Hydraulika siłowa mobilna i przemysłowa
- Maszyny to przetwarzania tworzyw sztucznych i do odlewania pod ciśnieniem
- Obrabiarki
- Prasy hydrauliczne
- Przemysł budowlany
- Przemysł górniczy
- Przemysł maszynowy
- Przemysł okrętowy
- Przemysł rolniczy
- Specjalne urządzenia techniczne
- Urządzenia techniczne stanowisk badawczych
Medium:
- Olej hydrauliczny - 30 cSt
- Olej mineralny
Dopuszczalna temperatura pracy materiału/produktu:
- 50°C
Opcje połączeniowe / Propozycje instalacyjne:
- Do pomp hydraulicznych
- Cylindry przemysłowe
- Dźwigi
- Zastosowanie wysokociśnieniowe
- Wtryskarki
- Koparki
- Przemysł wydobywczy
- Maszyny mobilne
- Do przewodów hydraulicznych
- Do rozdzielaczy hydraulicznych
- Do złączy
- Do przyłączy
- Do rur precyzyjnych bezszwowych
| Wariant | Rozmiar gwintu | Dostępność | ||||
|---|---|---|---|---|---|---|







