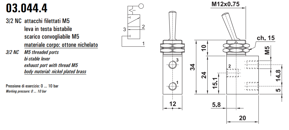
Mikrozawór z uchwytem LL, Funkcje: Z zatrzaskiem.
Kod produktu: LL ID: 2366737Dane wariantu:
Elektrozawory - NC/NO:
NC - normalnie zamknięty
Elektrozawory - pozycje zaworu:
3/2
Funkcje:
Z zatrzaskiem.
Dane podstawowe:
Funkcje:
- Bez sprężyny powrotnej.
Magazyn PL: 999 szt.
Termin dostawy: -
Termin dostawy: -
999 szt.
-
Magazyn EU: 0 szt.
Termin dostawy: -
Termin dostawy: -
0 szt.
-
| Wariant | Funkcje | Dostępność | ||||
|---|---|---|---|---|---|---|





