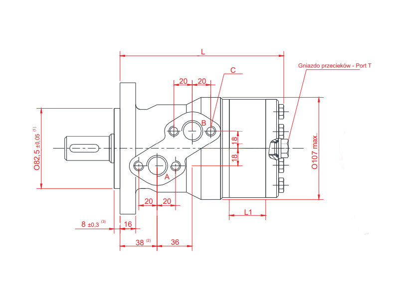
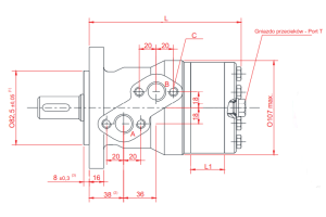
Silnik hydrauliczny gerotorowy, Chłonność silnika hydraulicznego: 200 cm3/obr., Flansza przednia silnika: "A" kołnierz owalny na 2 śruby, Typ wałka: ⌀25 cylindryczny wpust 8x7x32 M8, Połączenia, porty: "E" PT(Rc) 1/2" wewnętrzny, 4-M8, PT(Rc) 1/4"
Kod produktu: VGMR ID: 2365608- 250 cm3/obr.
- 315 cm3/obr.
- 375 cm3/obr.
- 36 cm3/obr.
- 50 cm3/obr.
- 80 cm3/obr.
- 100 cm3/obr.
- 125 cm3/obr.
- 160 cm3/obr.
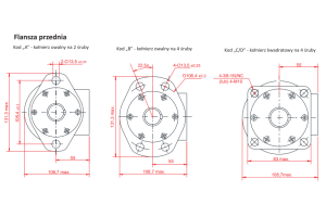
- "B" kołnierz owalny na 4 śruby
- "C/D" kołnierz kwadratowy na 4 śruby
- "A" G1/2" gwint wewnętrzny, 4-M8, G1/4"
- "B" M22x1,5 gwint wewnętrzny 4-M8, M14x1,5
- "C" 7/8"-14 O-ring, wewnętrzny,4-5/16-18UNC 7/16-20UNF
- "D" 1/2"-14 NPTF wewnętrzny 4-5/16"-18UNC 7/16"-20UNF
- ⌀32 cylindryczny wpust 10x8x45 M8
- ⌀31,75 wielowypust 14 zębów 14-DP12/24 3/8-16UNC
- ⌀31,75 cylindryczny wpust 7,96x7,96x31,75 3/8-16UNC
- ⌀25,4 stożkowy 1:10 wpust czółenkowy 5x5x14
- ⌀25,4 cylindryczny wpust 6,35x6,35x31,75 M8
- ⌀25,4 wielowypust 6 zębów SAE 6B M8
- ⌀25,4 cylindryczny wpust 6,35x6,35x31,75 1/4-20UNC
Termin dostawy: -
Termin dostawy: -
| Wariant | Chłonność silnika hydraulicznego | Flansza przednia silnika | Typ wałka | Połączenia, porty | Dostępność | ||||
|---|---|---|---|---|---|---|---|---|---|









