Tłok M250 CTSE, Średnica tłoka: 40 mm, Średnica wewnętrzna tłoka ØI-F: 15 mm
Kod produktu: HS-TL-M250-CTSE-AL40mm-ØI-F15mm ID: 2515205Dane wariantu:
Materiał / Składowe:
Tłok: Stal 9SMn28
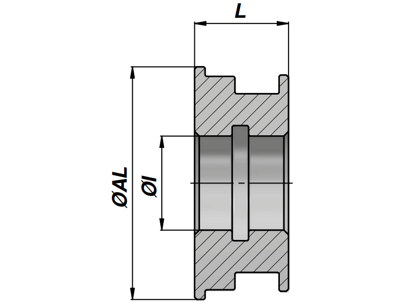
AL - Średnica wewnętrzna cylindra:
40 mm
ØI-F - Średnica wewnętrzna tłoka:
15 mm
L:
20 mm
Dane podstawowe:
Materiał / Składowe:
- Uszczelnienie zgarniające: PU
- Uszczelnienie główne tłok/cylinder: NBR+POM+TPE
- Uszczelnienie tłoczysko/tłok: O-RING NBR 70
Maksymalne ciśnienie robocze:
- 250 BAR - Wartość tego parametru zależna od zastosowania w układzie hydr.
Zastosowanie:
- Hydraulika siłowa mobilna i przemysłowa
- Prasy hydrauliczne
- Przemysł budowlany
- Przemysł górniczy
- Przemysł maszynowy
- Przemysł okrętowy
- Przemysł rolniczy
Medium:
- Olej mineralny
- Olej hydrauliczny
Dopuszczalna temperatura pracy materiału/produktu:
- -25°C do +80°C
Magazyn PL: 0 szt.
Termin dostawy: 30 dni
Termin dostawy: 30 dni
0 szt.
30 dni
Magazyn EU: 0 szt.
Termin dostawy: 30 dni
Termin dostawy: 30 dni
0 szt.
30 dni
| Wariant | Średnica tłoka | Średnica wewnętrzna tłoka ØI-F | Dostępność | ||||
|---|---|---|---|---|---|---|---|



