Wejście gwintowane do rury zasilającej CBSLT, Rozmiar gwintu: 1/4" BSPP
Kod produktu: HS-AKCDS-CBSLT-1/4BSPP ID: 2515570Dane wariantu:
Materiał / Składowe:
Stal S355J0/S355J2
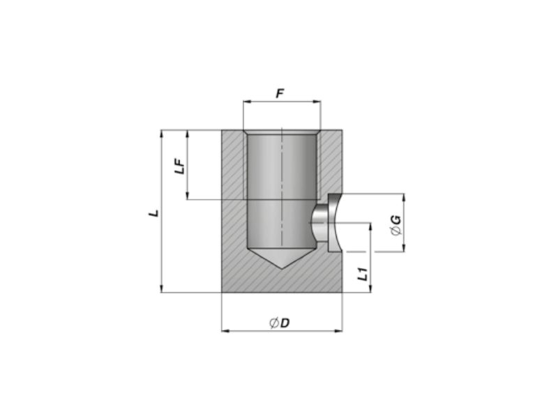
F - Rozmiar gwintu:
1/4" BSPP
LF:
15 mm
L:
30 mm
ØD:
22 mm
ØG:
10,5 mm
L1:
12 mm
Dane podstawowe:
Maksymalne ciśnienie robocze:
- 250 BAR - Wartość tego parametru zależna od zastosowania w układzie hydr.
Zastosowanie:
- Hydraulika siłowa mobilna i przemysłowa
- Prasy hydrauliczne
- Przemysł budowlany
- Przemysł górniczy
- Przemysł maszynowy
- Przemysł okrętowy
- Przemysł rolniczy
Medium:
- Olej mineralny
- Olej hydrauliczny
Dopuszczalna temperatura pracy materiału/produktu:
- -25°C do +80°C
Magazyn PL: 0 szt.
Termin dostawy: 30 dni
Termin dostawy: 30 dni
0 szt.
30 dni
Magazyn EU: 0 szt.
Termin dostawy: 30 dni
Termin dostawy: 30 dni
0 szt.
30 dni
| Wariant | Rozmiar gwintu | Dostępność | ||||
|---|---|---|---|---|---|---|



