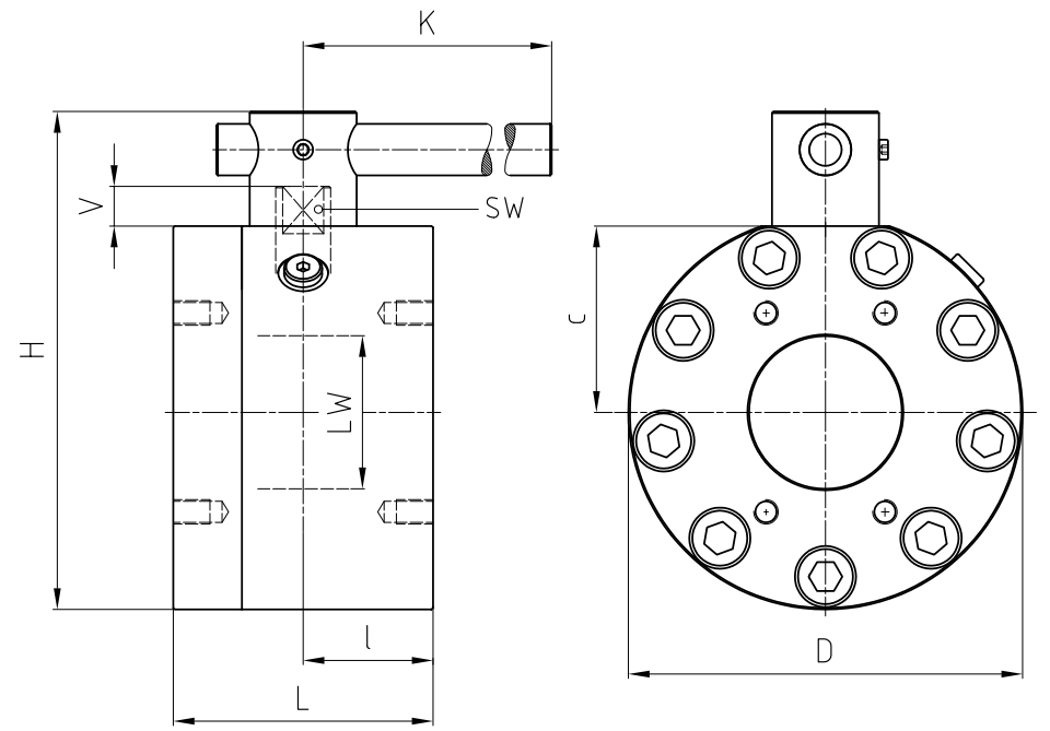
Zawór kulowy 2 drogowy z kołnierzem Metryczny/UNC Pojedyńczy kołnierz DN65 - DN125 do 175 Bar, Materiał: Stal ocynkowana Cr(VI)-free, Rozmiar zaworu: ISO6162-1 DN65
Kod produktu: KH-SAE.1 ID: 2362117- Materiał: Stal/stal nierdzewna
- PN: 35 - 175 bar
- Dostępne wymiary: DN65 - DN125 (2 1/2“ do 5“)
- Stal nierdzewna
- ISO6162-1 DN80 PN100
- ISO6162-1 DN80 PN160
- ISO6162-1 DN100
- ISO6162-1 DN125
Termin dostawy: -
Termin dostawy: -
| Wariant | Materiał | Rozmiar zaworu | Dostępność | ||||
|---|---|---|---|---|---|---|---|



