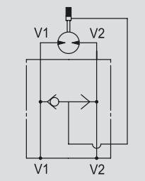
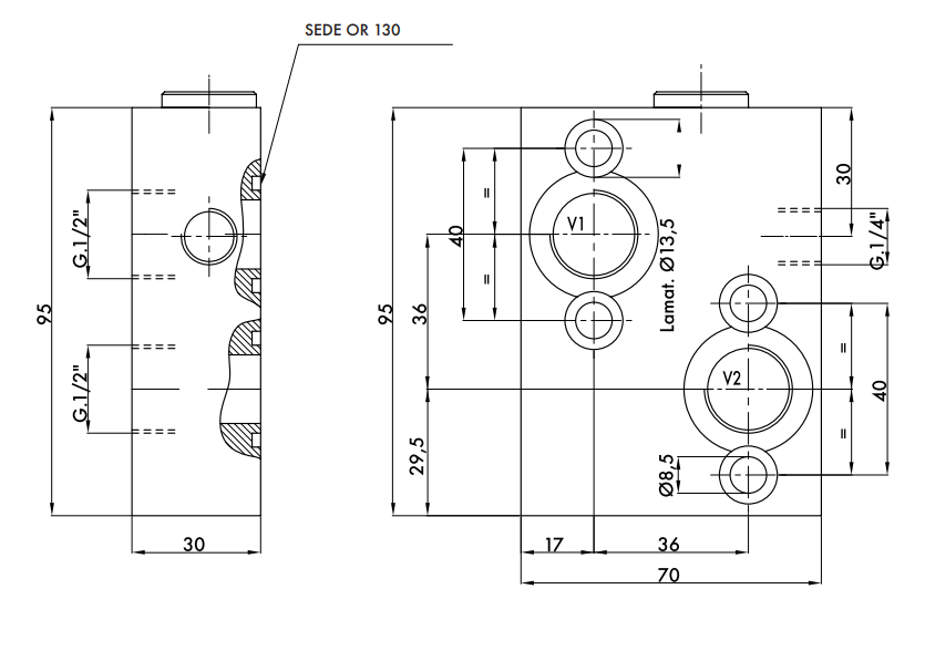
Zawór odblokowujący hamulce VSBF 1/2" BSPP OMP/OMR, Rozmiar gwintu: 1/2" BSPP
Kod produktu: HS-IZ-VSBF-OMP/OMR-1/2BSPP ID: 2517412- Stal węglowa Cr(VI)-free/Zn-Ni
- Wskazane ciśnienie robocze odnosi się wyłącznie do oferowanego produktu. W przypadku łączenia z rurami, złączami, przyłączami itp. obowiązują wytyczne ciśnieniowe odpowiedniego producenta.
- Automotive
- Hydraulika siłowa mobilna i przemysłowa
- Maszyny to przetwarzania tworzyw sztucznych i do odlewania pod ciśnieniem
- Obrabiarki
- Prasy hydrauliczne
- Przemysł budowlany
- Przemysł górniczy
- Przemysł maszynowy
- Przemysł okrętowy
- Przemysł rolniczy
- Specjalne urządzenia techniczne
- Urządzenia techniczne stanowisk badawczych
- Olej hydrauliczny - 30 cSt
- Olej mineralny
- 50°C
- Do pomp hydraulicznych
- Cylindry przemysłowe
- Dźwigi
- Zastosowanie wysokociśnieniowe
- Wtryskarki
- Koparki
- Przemysł wydobywczy
- Maszyny mobilne
- Do przewodów hydraulicznych
- Do rozdzielaczy hydraulicznych
- Do złączy
- Do przyłączy
- Do rur precyzyjnych bezszwowych
| Wariant | Rozmiar gwintu | Dostępność | ||||
|---|---|---|---|---|---|---|







