Zawór przeciążeniowo-blokujący VBCD 3/8" BSPP SE FL, Rozmiar gwintu: 3/8" BSPP
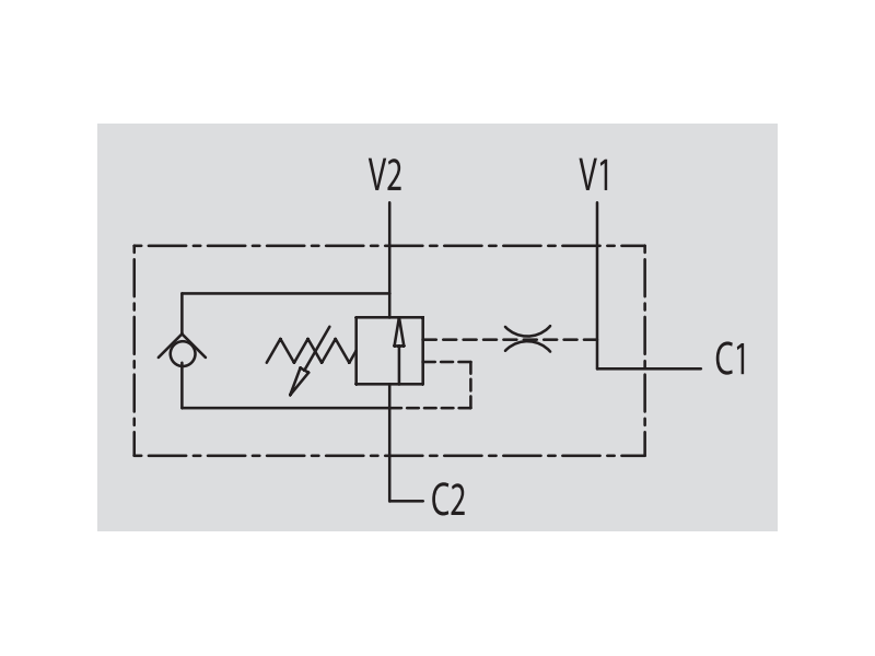
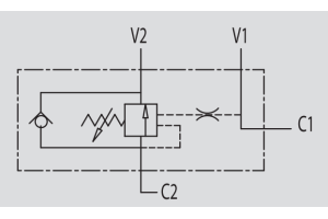
Kod produktu: HS-ZPB-VBCD-SE-FL-3/8BSPP ID: 2517161Zawory przeciążeniowo-blokujące VBCD SE FL służą do sterowania ruchami siłownika i blokowania go w jednym kierunku, kontrolując przy tym opadanie obciążenia.
Dane wariantu:
Maksymalne ciśnienie:
350 BAR
Przełożenie ciśnienia otwarcia:
1 : 4,5
Maksymalny przepływ:
40 L/min
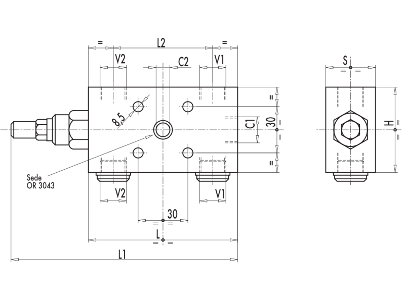
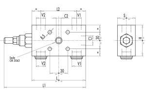
Rozmiar gwintu:
3/8" BSPP
C2:
Ø9 mm
L:
100 mm
L1:
149 mm
L2:
60 mm
L3:
30 mm
H:
60 mm
S:
30 mm
D:
Ø8,5 mm
Dane podstawowe:
Materiał / Składowe:
- Stal węglowa Cr(VI)-free/Zn-Ni
Maksymalne ciśnienie robocze:
- Wskazane ciśnienie robocze odnosi się wyłącznie do oferowanego produktu. W przypadku łączenia z rurami, złączami, przyłączami itp. obowiązują wytyczne ciśnieniowe odpowiedniego producenta.
Zastosowanie:
- Automotive
- Hydraulika siłowa mobilna i przemysłowa
- Maszyny to przetwarzania tworzyw sztucznych i do odlewania pod ciśnieniem
- Obrabiarki
- Prasy hydrauliczne
- Przemysł budowlany
- Przemysł górniczy
- Przemysł maszynowy
- Przemysł okrętowy
- Przemysł rolniczy
- Specjalne urządzenia techniczne
- Urządzenia techniczne stanowisk badawczych
Medium:
- Olej hydrauliczny - 30 cSt
- Olej mineralny
Dopuszczalna temperatura pracy materiału/produktu:
- 50°C
Opcje połączeniowe / Propozycje instalacyjne:
- Do pomp hydraulicznych
- Cylindry przemysłowe
- Dźwigi
- Zastosowanie wysokociśnieniowe
- Wtryskarki
- Koparki
- Przemysł wydobywczy
- Maszyny mobilne
- Do przewodów hydraulicznych
- Do rozdzielaczy hydraulicznych
- Do złączy
- Do przyłączy
- Do rur precyzyjnych bezszwowych
Magazyn PL: 0 szt.
Termin dostawy: 30 dni
Termin dostawy: 30 dni
0 szt.
30 dni
Magazyn EU: 0 szt.
Termin dostawy: 30 dni
Termin dostawy: 30 dni
0 szt.
30 dni
| Wariant | Rozmiar gwintu | Dostępność | ||||
|---|---|---|---|---|---|---|
Podłącz V1 i V2 do linii zasilających np. sekcji w rozdzielacza hydraulicznego. C1 do strony swobodnego przepływu siłownika a kołnierz C2 do strony siłownika, po której chcesz zablokować przepływ. Porty V1 i V2 można używać na przemian.









