Zawór przeciążeniowo-blokujący VBCD 3/8" BSPP SE FL CC, Rozmiar gwintu: 3/8" BSPP
Kod produktu: HS-ZPB-VBCD-SE-FL-CC ID: 2517190Dane wariantu:
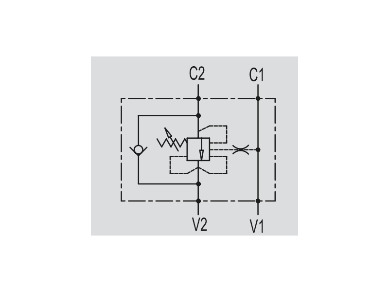
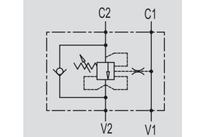
Maksymalne ciśnienie:
350 BAR
Przełożone ciśnienie otwarcia:
1 : 4,5
Maksymalny przepływ:
40 L/min
Rozmiar gwintu:
3/8" BSPP
C2:
Ø9 mm
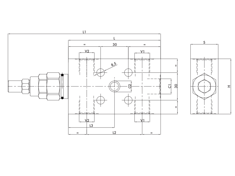
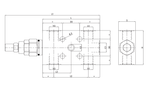
L:
100 mm
L1:
166 mm
L2:
60 mm
L3:
50 mm
H:
60 mm
S:
30 mm
Dane podstawowe:
Materiał / Składowe:
- Stal węglowa Cr(VI)-free/Zn-Ni
Maksymalne ciśnienie robocze:
- Wskazane ciśnienie robocze odnosi się wyłącznie do oferowanego produktu. W przypadku łączenia z rurami, złączami, przyłączami itp. obowiązują wytyczne ciśnieniowe odpowiedniego producenta.
Zastosowanie:
- Automotive
- Hydraulika siłowa mobilna i przemysłowa
- Maszyny to przetwarzania tworzyw sztucznych i do odlewania pod ciśnieniem
- Obrabiarki
- Prasy hydrauliczne
- Przemysł budowlany
- Przemysł górniczy
- Przemysł maszynowy
- Przemysł okrętowy
- Przemysł rolniczy
- Specjalne urządzenia techniczne
- Urządzenia techniczne stanowisk badawczych
Medium:
- Olej hydrauliczny - 30 cSt
- Olej mineralny
Dopuszczalna temperatura pracy materiału/produktu:
- 50°C
Opcje połączeniowe / Propozycje instalacyjne:
- Do pomp hydraulicznych
- Cylindry przemysłowe
- Dźwigi
- Zastosowanie wysokociśnieniowe
- Wtryskarki
- Koparki
- Przemysł wydobywczy
- Maszyny mobilne
- Do przewodów hydraulicznych
- Do rozdzielaczy hydraulicznych
- Do złączy
- Do przyłączy
- Do rur precyzyjnych bezszwowych
| Wariant | Rozmiar gwintu | Dostępność | ||||
|---|---|---|---|---|---|---|









