Centrum Hydrauliki Siłowej Świdnica 

58-100 Świdnica, ul. Bystrzycka 17, POLSKA

CHSS.PL DAWID WOŹNY
NIP: PL 884 272 02 42

Biuro obsługi klienta:

+48 603 902 368

biuro@chss.pl

PN-PT: 6:30 - 16:00

Oferty i wyceny:

+48 603 902 368

oferty@chss.pl

 Centrum Hydrauliki Siłowej Jawor 

59-400 Jawor, ul. Kuziennicza 5, POLSKA

Biuro obsługi klienta:

+48 535 424 483

+48 665 001 660

jawor@chss.pl

PN-PT: 7:00 - 16:00

Magazyn 24H:

+48 665 001 770

Projektowanie i budowa układów:

POWER HYDRAULICS SOLUTIONS
Sp. z o.o.

58-100 Świdnica, ul. Bystrzycka 17, POLSKA

NIP: PL 884 282 31 43 
KRS: 0001073679

Konfigurator
wkrótce dostępny

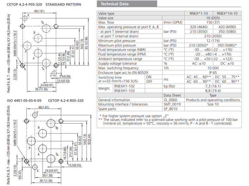
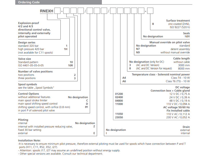
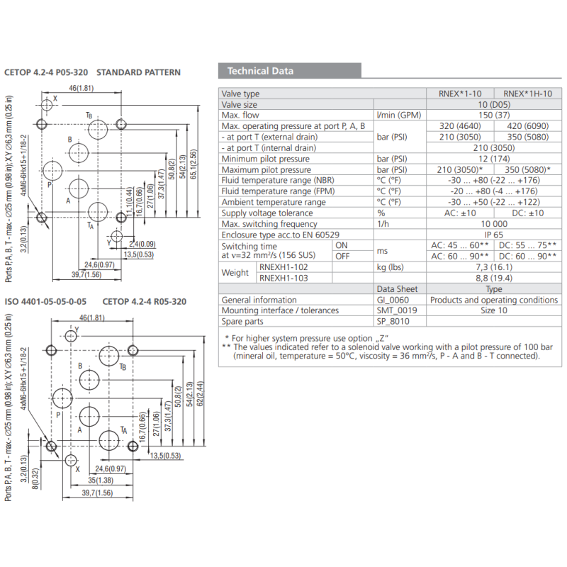
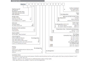
Zawór przeciwwybuchowy RNEXH1-10

Kod produktu: RNEXH1-10 ID: 1806
Zawór przeciwwybuchowy RNEXH1-10
Zawór przeciwwybuchowy RNEXH1-10
Zawór przeciwwybuchowy RNEXH1-10
Zawór przeciwwybuchowy RNEXH1-10
Zawór przeciwwybuchowy RNEXH1-10
Zawór przeciwwybuchowy RNEXH1-10
Zawór przeciwwybuchowy RNEXH1-10
Zawór przeciwwybuchowy RNEXH1-10
Magazyn PL: 999 szt.
Termin dostawy: -
999 szt. -
Magazyn EU: 0 szt.
Termin dostawy: -
0 szt. -
Opis produktu