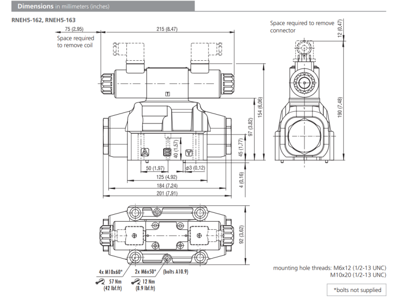
Zawór RNEH5-16, Typ suwaka: Z11, Number of valve positions: 2, Manual override: No designation, Control Options: No designation, Piloting: No designation, Drain: No designation, Design series: H5, Check valve incorporated in P-line: C3
Kod produktu: RNEH5-16 ID: 2424804- No designation
- PF
- C
- D
- 5
- I
- N2
- N1
- 3
- Z
- X21
- C11
- H11
- Y11
- B11
- R11
- R21
- Z22
- J15
- X11
- Z21
- J19
Termin dostawy: -
Termin dostawy: -
| Wariant | Typ suwaka | Number of valve positions | Manual override | Control Options | Piloting | Drain | Design series | Check valve incorporated in P-line | Dostępność | ||||
|---|---|---|---|---|---|---|---|---|---|---|---|---|---|

















