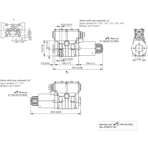
Zawór RPEW4-10, Seals: No designation, Typ suwaka: Z11, Number of valve positions: 2, Rated supply voltage of solenoids: 01200, Manual override: No designation, CSA Certified: No designation, Soft-shift spool speed control: No designation, Connector for wire box and wire box power: EW1R
Kod produktu: RPEW4-10 ID: 2417801- EW1K
- U
- N2
- 3
- 12060
- 02400
- V
- T0
- T2
- C51
- P11
- Y11
- B11
- H51
- L21
- Z51
- R11
- Y51
- A51
- P51
- C21
- R21
- B51
- J15
- J75
- C11
- X11
- H11
Termin dostawy: -
Termin dostawy: -
| Wariant | Seals | Typ suwaka | Number of valve positions | Rated supply voltage of solenoids | Manual override | CSA Certified | Soft-shift spool speed control | Connector for wire box and wire box power | Dostępność | ||||
|---|---|---|---|---|---|---|---|---|---|---|---|---|---|

















