Zawór SU6A-U3/I, Pressure range: 10, Factory setting: 100/4,8
Kod produktu: SU6A-U3/I ID: 2459845Dane wariantu:
Factory setting:
100/4,8
Pressure range:
10
Seals:
No designation
Surface treatment:
A
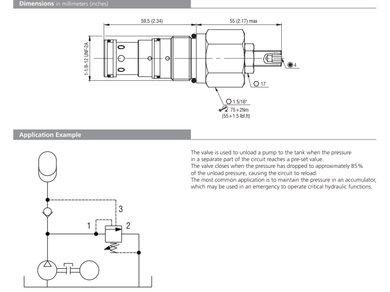
Valve cavity:
1-1/8-12 UNF
Dane podstawowe:
Factory setting:
- 75/4,8
- 200/4,8
Pressure range:
- 35
- 20
Magazyn PL: 999 szt.
Termin dostawy: -
Termin dostawy: -
999 szt.
-
Magazyn EU: 0 szt.
Termin dostawy: -
Termin dostawy: -
0 szt.
-
| Wariant | Pressure range | Factory setting | Dostępność | ||||
|---|---|---|---|---|---|---|---|









