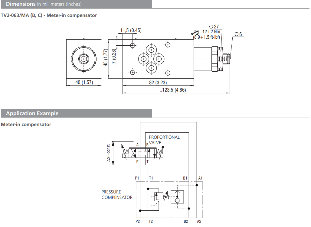
Zawór TV2-063/M, Surface treatment: No designation, Seals: No designation, Model: B
Kod produktu: TV2-063/M ID: 2463265Dane wariantu:
Opcje połączeniowe / Propozycje instalacyjne:
Do końcówek w elastycznych gotowych przewodach
Control pressure differential:
4
Model:
B
Modular, sandwich plate:
M
Nominal Size:
06
Seals:
No designation
Surface treatment:
No designation
Way:
3
Dane podstawowe:
Model:
- A
- C
Seals:
- V
Surface treatment:
- A
- B
Magazyn PL: 999 szt.
Termin dostawy: -
Termin dostawy: -
999 szt.
-
Magazyn EU: 0 szt.
Termin dostawy: -
Termin dostawy: -
0 szt.
-
| Wariant | Surface treatment | Seals | Model | Dostępność | ||||
|---|---|---|---|---|---|---|---|---|









