Zawór VPN2-10/M(R), Surface treatment: B, Seals: No designation, Pressure range: 32/10, Adjustment option: S, Model: MP
Kod produktu: VPN2-10/M(R) ID: 2458234- Do rur precyzyjnych bezszwowych Stal węglowa
- Do przewodów Tekalan
- Do przewodów PU, PA, PE
- Do rur miedzianych
- Do rur aluminiowych *wymagany pierścień wspierający
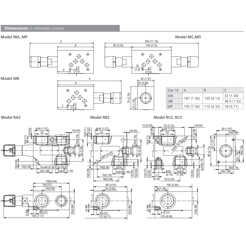
- RB2
- RC2
- RC3
- MA
- MB
- MC
- MD
- RA2
- 32
- 21
- 6
- 10
- 16
- V
- No designation
- A
Termin dostawy: -
Termin dostawy: -
| Wariant | Surface treatment | Seals | Pressure range | Adjustment option | Model | Dostępność | ||||
|---|---|---|---|---|---|---|---|---|---|---|









