Zawór VPP2-04/S, Surface treatment: A, Seals: No designation, Adjustment option: T, Pressure range: 2
Kod produktu: VPP2-04/S ID: 2446798Dane wariantu:
Opcje połączeniowe / Propozycje instalacyjne:
Do rur miedzianych
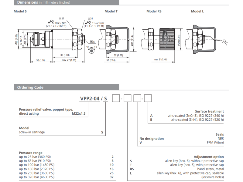
Model:
S
Pressure range:
2
Pressure relief valve, poppet type, direct acting:
M22x1.5
Seals:
No designation
Surface treatment:
A
Dane podstawowe:
Opcje połączeniowe / Propozycje instalacyjne:
- Do końcówek w elastycznych gotowych przewodach
- Do rur precyzyjnych bezszwowych Stal węglowa
- Do przewodów Tekalan
Pressure range:
- 32
- 6
- 10
- 16
- 25
Seals:
- V
Surface treatment:
- B
Magazyn PL: 999 szt.
Termin dostawy: -
Termin dostawy: -
999 szt.
-
Magazyn EU: 0 szt.
Termin dostawy: -
Termin dostawy: -
0 szt.
-
| Wariant | Surface treatment | Seals | Adjustment option | Pressure range | Dostępność | ||||
|---|---|---|---|---|---|---|---|---|---|







