Hydraulika Siłowa
Materiał / Składowe:
Stal węglowa Cr(VI)-free/Zn-Ni
Dopuszczalna temperatura pracy materiału/produktu:
-40°C do +200°C
Ciśnienie medium:
350 BAR
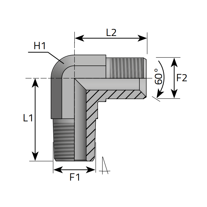
F1 - Gwint wewnętrzny:
1/8" BSPP
H1 - Rozmiar na klucz:
14 mm
H2 - Rozmiar na klucz:
15 mm
L1 - Długość:
28,5 mm
Zastosowanie:
- Automotive
- Centralne smarowanie
- Hydraulika siłowa mobilna i przemysłowa
- Instalacje grzewcze
- Instalacje sprężonego powietrza
- Prasy hydrauliczne
- Przemysł budowlany
- Przemysł górniczy
- Przemysł maszynowy
- Przemysł okrętowy
- Przemysł rolniczy
Medium:
- Olej napędowy
- Argon
- Azot
- Olej mineralny
- Olej hydrauliczny
- Próżnia
- Sprężone powietrze
- Glikol
Opcje połączeniowe / Propozycje instalacyjne:
- Do zbiorników
- Do płyt i bloków przyłączeniowych
- Do końcówek w elastycznych gotowych przewodach
- Do rur precyzyjnych bezszwowych
- Do przewodów Tekalan
- Do przewodów PU, PA, PE
- Do rur miedzianych
- Do rur aluminiowych
Zalety materiału/produktu:
- Zwiększona ochrona przed korozją chemiczną
- Praca pod wysokim ciśnieniem
- Brak adsorpcji nieprzyjemnych zapachów
- Odporność na promieniowanie słoneczne UV
- Dobre przewodnictwo cieplne
- Praca w trudnych warunkach
- Duży wybór materiałów uszczelniających
- Odporność na działanie obciążeń mechanicznych
- Odporność na działanie wysokich temperatur
Magazyn PL: Na zamówienie
Termin dostawy: 14 dni
Termin dostawy: 14 dni
Na zamówienie
Magazyn EU: 0 szt.
Termin dostawy: 30 dni
Termin dostawy: 30 dni
0 szt.
30 dni
Materiał / Składowe:
Stal węglowa Cr(VI)-free/Zn-Ni
Dopuszczalna temperatura pracy materiału/produktu:
-40°C do +200°C
Ciśnienie medium:
350 BAR
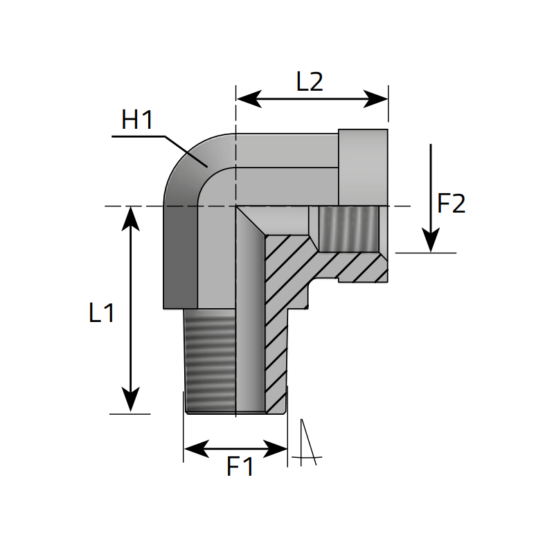
F1 - Gwint zewnętrzny:
1/8" BSPP
F2 - Gwint zewnętrzny:
1/8" BSPP
H1:
14 mm
H2:
14 mm
L1 - Długość:
22 mm
L2 - Długość:
26 mm
Zastosowanie:
- Automotive
- Centralne smarowanie
- Hydraulika siłowa mobilna i przemysłowa
- Instalacje grzewcze
- Instalacje sprężonego powietrza
- Prasy hydrauliczne
- Przemysł budowlany
- Przemysł górniczy
- Przemysł maszynowy
- Przemysł okrętowy
- Przemysł rolniczy
Medium:
- Olej napędowy
- Argon
- Azot
- Olej mineralny
- Olej hydrauliczny
- Próżnia
- Sprężone powietrze
- Glikol
Opcje połączeniowe / Propozycje instalacyjne:
- Do zbiorników
- Do płyt i bloków przyłączeniowych
- Do końcówek w elastycznych gotowych przewodach
- Do rur precyzyjnych bezszwowych
- Do przewodów Tekalan
- Do przewodów PU, PA, PE
- Do rur miedzianych
- Do rur aluminiowych
Zalety materiału/produktu:
- Zwiększona ochrona przed korozją chemiczną
- Praca pod wysokim ciśnieniem
- Brak adsorpcji nieprzyjemnych zapachów
- Odporność na promieniowanie słoneczne UV
- Dobre przewodnictwo cieplne
- Praca w trudnych warunkach
- Duży wybór materiałów uszczelniających
- Odporność na działanie obciążeń mechanicznych
- Odporność na działanie wysokich temperatur
Magazyn PL: Na zamówienie
Termin dostawy: 14 dni
Termin dostawy: 14 dni
Na zamówienie
Magazyn EU: 0 szt
Termin dostawy: 30 dni
Termin dostawy: 30 dni
0 szt
30 dni
Materiał / Składowe:
Stal węglowa Cr(VI)-free/Zn-Ni
Dopuszczalna temperatura pracy materiału/produktu:
-40°C do +200°C
Ciśnienie medium:
350 BAR
F1 - Gwint zewnętrzny:
1/8" BSPP
F2 - Gwint zewnętrzny:
1/8" NPT
H1:
14 mm
L1 - Długość:
20,5 mm
L2 - Długość:
22 mm
Zastosowanie:
- Automotive
- Centralne smarowanie
- Hydraulika siłowa mobilna i przemysłowa
- Instalacje grzewcze
- Instalacje sprężonego powietrza
- Prasy hydrauliczne
- Przemysł budowlany
- Przemysł górniczy
- Przemysł maszynowy
- Przemysł okrętowy
- Przemysł rolniczy
Medium:
- Olej napędowy
- Argon
- Azot
- Olej mineralny
- Olej hydrauliczny
- Próżnia
- Sprężone powietrze
- Glikol
Opcje połączeniowe / Propozycje instalacyjne:
- Do zbiorników
- Do płyt i bloków przyłączeniowych
- Do końcówek w elastycznych gotowych przewodach
- Do rur precyzyjnych bezszwowych
- Do przewodów Tekalan
- Do przewodów PU, PA, PE
- Do rur miedzianych
- Do rur aluminiowych
Zalety materiału/produktu:
- Zwiększona ochrona przed korozją chemiczną
- Praca pod wysokim ciśnieniem
- Brak adsorpcji nieprzyjemnych zapachów
- Odporność na promieniowanie słoneczne UV
- Dobre przewodnictwo cieplne
- Praca w trudnych warunkach
- Duży wybór materiałów uszczelniających
- Odporność na działanie obciążeń mechanicznych
- Odporność na działanie wysokich temperatur
Magazyn PL: Na zamówienie
Termin dostawy: 14 dni
Termin dostawy: 14 dni
Na zamówienie
Magazyn EU: 0 szt
Termin dostawy: 30 dni
Termin dostawy: 30 dni
0 szt
30 dni
Materiał / Składowe:
Stal węglowa Cr(VI)-free/Zn-Ni
Dopuszczalna temperatura pracy materiału/produktu:
-40°C do +200°C
Ciśnienie medium:
350 BAR
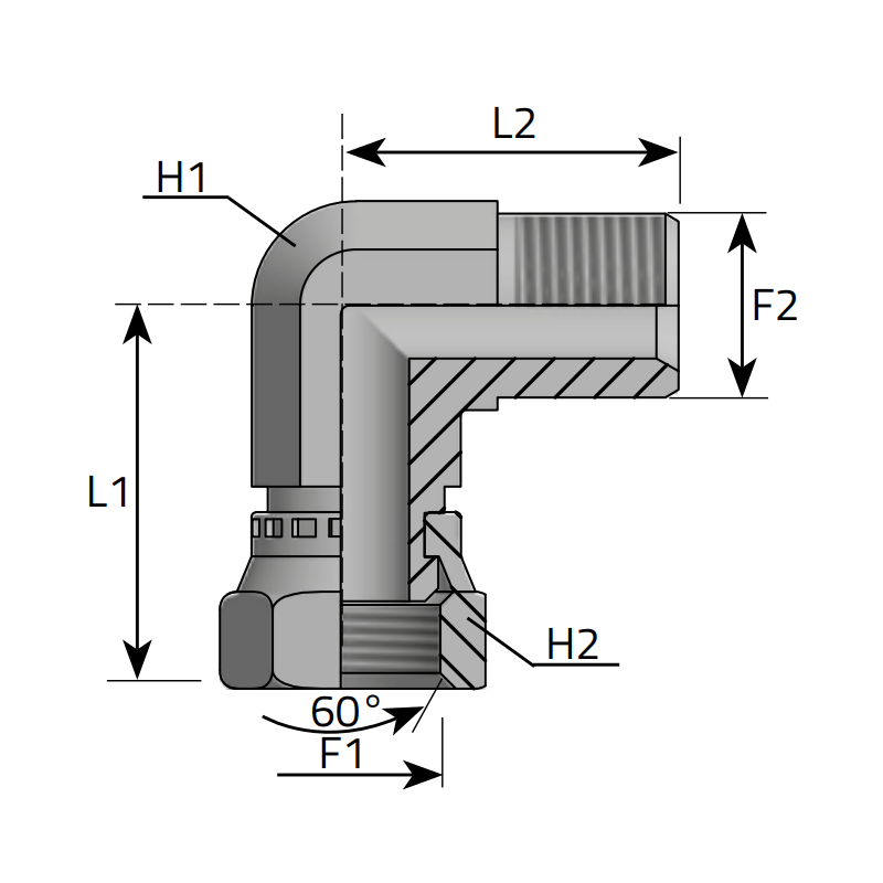
F1 - Gwint zewnętrzny:
1/8" BSPP
F2 - Gwint wewnętrzny:
1/8" BSPT
H1 - Rozmiar na klucz:
14 mm
L1 - Długość:
23 mm
L2 - Długość:
17 mm
Zastosowanie:
- Automotive
- Centralne smarowanie
- Hydraulika siłowa mobilna i przemysłowa
- Instalacje grzewcze
- Instalacje sprężonego powietrza
- Prasy hydrauliczne
- Przemysł budowlany
- Przemysł górniczy
- Przemysł maszynowy
- Przemysł okrętowy
- Przemysł rolniczy
Medium:
- Olej napędowy
- Argon
- Azot
- Olej mineralny
- Olej hydrauliczny
- Próżnia
- Sprężone powietrze
- Glikol
Opcje połączeniowe / Propozycje instalacyjne:
- Do zbiorników
- Do płyt i bloków przyłączeniowych
- Do końcówek w elastycznych gotowych przewodach
- Do rur precyzyjnych bezszwowych
- Do przewodów Tekalan
- Do przewodów PU, PA, PE
- Do rur miedzianych
- Do rur aluminiowych
Zalety materiału/produktu:
- Zwiększona ochrona przed korozją chemiczną
- Praca pod wysokim ciśnieniem
- Brak adsorpcji nieprzyjemnych zapachów
- Odporność na promieniowanie słoneczne UV
- Dobre przewodnictwo cieplne
- Praca w trudnych warunkach
- Duży wybór materiałów uszczelniających
- Odporność na działanie obciążeń mechanicznych
- Odporność na działanie wysokich temperatur
Magazyn PL: Na zamówienie
Termin dostawy: 14 dni
Termin dostawy: 14 dni
Na zamówienie
Magazyn EU: 0 szt
Termin dostawy: 30 dni
Termin dostawy: 30 dni
0 szt
30 dni
Materiał / Składowe:
Stal węglowa Cr(VI)-free/Zn-Ni
Dopuszczalna temperatura pracy materiału/produktu:
-40°C do +200°C
Ciśnienie medium:
350 BAR
F1 - Gwint wewnętrzny:
1/8" BSPP
F2 - Gwint zewnętrzny:
1/8" BSPT
H1 - Rozmiar na klucz:
14 mm
H2 - Rozmiar na klucz:
15 mm
L1 - Długość:
20,5 mm
L2 - Długość:
28,5 mm
Zastosowanie:
- Automotive
- Centralne smarowanie
- Hydraulika siłowa mobilna i przemysłowa
- Instalacje grzewcze
- Instalacje sprężonego powietrza
- Prasy hydrauliczne
- Przemysł budowlany
- Przemysł górniczy
- Przemysł maszynowy
- Przemysł okrętowy
- Przemysł rolniczy
Medium:
- Olej napędowy
- Argon
- Azot
- Olej mineralny
- Olej hydrauliczny
- Próżnia
- Sprężone powietrze
- Glikol
Opcje połączeniowe / Propozycje instalacyjne:
- Do zbiorników
- Do płyt i bloków przyłączeniowych
- Do końcówek w elastycznych gotowych przewodach
- Do rur precyzyjnych bezszwowych
- Do przewodów Tekalan
- Do przewodów PU, PA, PE
- Do rur miedzianych
- Do rur aluminiowych
Zalety materiału/produktu:
- Zwiększona ochrona przed korozją chemiczną
- Praca pod wysokim ciśnieniem
- Brak adsorpcji nieprzyjemnych zapachów
- Odporność na promieniowanie słoneczne UV
- Dobre przewodnictwo cieplne
- Praca w trudnych warunkach
- Duży wybór materiałów uszczelniających
- Odporność na działanie obciążeń mechanicznych
- Odporność na działanie wysokich temperatur
Magazyn PL: Na zamówienie
Termin dostawy: 14 dni
Termin dostawy: 14 dni
Na zamówienie
Magazyn EU: 0 szt
Termin dostawy: 30 dni
Termin dostawy: 30 dni
0 szt
30 dni
Materiał / Składowe:
Stal węglowa Cr(VI)-free/Zn-Ni
Dopuszczalna temperatura pracy materiału/produktu:
-40°C do +200°C
Ciśnienie medium:
350 BAR
F1 - Gwint wewnętrzny:
1/8" BSPP
F2 - Gwint wewnętrzny:
1/8" NPT
H1 - Rozmiar na klucz:
14 mm
H2 - Rozmiar na klucz:
15 mm
L1 - Długość:
20,5 mm
L2 - Długość:
28,5 mm
Zastosowanie:
- Automotive
- Centralne smarowanie
- Hydraulika siłowa mobilna i przemysłowa
- Instalacje grzewcze
- Instalacje sprężonego powietrza
- Prasy hydrauliczne
- Przemysł budowlany
- Przemysł górniczy
- Przemysł maszynowy
- Przemysł okrętowy
- Przemysł rolniczy
Medium:
- Olej napędowy
- Argon
- Azot
- Olej mineralny
- Olej hydrauliczny
- Próżnia
- Sprężone powietrze
- Glikol
Opcje połączeniowe / Propozycje instalacyjne:
- Do zbiorników
- Do płyt i bloków przyłączeniowych
- Do końcówek w elastycznych gotowych przewodach
- Do rur precyzyjnych bezszwowych
- Do przewodów Tekalan
- Do przewodów PU, PA, PE
- Do rur miedzianych
Zalety materiału/produktu:
- Zwiększona ochrona przed korozją chemiczną
- Praca pod wysokim ciśnieniem
- Brak adsorpcji nieprzyjemnych zapachów
- Odporność na promieniowanie słoneczne UV
- Dobre przewodnictwo cieplne
- Praca w trudnych warunkach
- Duży wybór materiałów uszczelniających
- Odporność na działanie obciążeń mechanicznych
- Odporność na działanie wysokich temperatur
Magazyn PL: Na zamówienie
Termin dostawy: 48 h
Termin dostawy: 48 h
Na zamówienie
Magazyn EU: 4230 szt
Termin dostawy: 4 dni
Termin dostawy: 4 dni
4230 szt
4 dni
Materiał / Składowe:
Stal węglowa Cr(VI)-free/Zn-Ni
Dopuszczalna temperatura pracy materiału/produktu:
-40°C do +200°C
Ciśnienie medium:
350 BAR
F1 - Gwint zewnętrzny:
1/8" BSPP
F2 - Gwint zewnętrzny:
1/8" NPT
H1 - Rozmiar na klucz:
14 mm
L1 - Długość:
21 mm
L2 - Długość:
20,5 mm
Zastosowanie:
- Automotive
- Centralne smarowanie
- Hydraulika siłowa mobilna i przemysłowa
- Instalacje grzewcze
- Instalacje sprężonego powietrza
- Prasy hydrauliczne
- Przemysł budowlany
- Przemysł górniczy
- Przemysł maszynowy
- Przemysł okrętowy
- Przemysł rolniczy
Medium:
- Olej napędowy
- Argon
- Azot
- Olej mineralny
- Olej hydrauliczny
- Próżnia
- Sprężone powietrze
- Glikol
Opcje połączeniowe / Propozycje instalacyjne:
- Do zbiorników
- Do płyt i bloków przyłączeniowych
- Do końcówek w elastycznych gotowych przewodach
- Do rur precyzyjnych bezszwowych
- Do przewodów Tekalan
- Do przewodów PU, PA, PE
- Do rur miedzianych
- Do rur aluminiowych
Zalety materiału/produktu:
- Zwiększona ochrona przed korozją chemiczną
- Praca pod wysokim ciśnieniem
- Brak adsorpcji nieprzyjemnych zapachów
- Odporność na promieniowanie słoneczne UV
- Dobre przewodnictwo cieplne
- Praca w trudnych warunkach
- Duży wybór materiałów uszczelniających
- Odporność na działanie obciążeń mechanicznych
- Odporność na działanie wysokich temperatur
Magazyn PL: Na zamówienie
Termin dostawy: 14 dni
Termin dostawy: 14 dni
Na zamówienie
Magazyn EU: 0 szt
Termin dostawy: 30 dni
Termin dostawy: 30 dni
0 szt
30 dni
Materiał / Składowe:
Stal węglowa Cr(VI)-free/Zn-Ni
Dopuszczalna temperatura pracy materiału/produktu:
-40°C do +200°C
Ciśnienie medium:
350 BAR
F1 - Gwint zewnętrzny:
1/8" NPT
H1 - Rozmiar na klucz:
14 mm
L1 - Długość:
20,5 mm
Zastosowanie:
- Automotive
- Centralne smarowanie
- Hydraulika siłowa mobilna i przemysłowa
- Instalacje grzewcze
- Instalacje sprężonego powietrza
- Prasy hydrauliczne
- Przemysł budowlany
- Przemysł górniczy
- Przemysł maszynowy
- Przemysł okrętowy
- Przemysł rolniczy
Medium:
- Olej napędowy
- Argon
- Azot
- Olej mineralny
- Olej hydrauliczny
- Próżnia
- Sprężone powietrze
- Glikol
Opcje połączeniowe / Propozycje instalacyjne:
- Do zbiorników
- Do płyt i bloków przyłączeniowych
- Do końcówek w elastycznych gotowych przewodach
- Do rur precyzyjnych bezszwowych
- Do przewodów Tekalan
- Do przewodów PU, PA, PE
- Do rur miedzianych
- Do rur aluminiowych
Zalety materiału/produktu:
- Zwiększona ochrona przed korozją chemiczną
- Praca pod wysokim ciśnieniem
- Brak adsorpcji nieprzyjemnych zapachów
- Odporność na promieniowanie słoneczne UV
- Dobre przewodnictwo cieplne
- Praca w trudnych warunkach
- Duży wybór materiałów uszczelniających
- Odporność na działanie obciążeń mechanicznych
- Odporność na działanie wysokich temperatur
Magazyn PL: Na zamówienie
Termin dostawy: 14 dni
Termin dostawy: 14 dni
Na zamówienie
Magazyn EU: 0 szt.
Termin dostawy: 30 dni
Termin dostawy: 30 dni
0 szt.
30 dni
Materiał / Składowe:
Stal węglowa Cr(VI)-free/Zn-Ni
Dopuszczalna temperatura pracy materiału/produktu:
-40°C do +200°C
Ciśnienie medium:
350 BAR
F1 - Gwint zewnętrzny:
1/8" NPT
F2 - Gwint wewnętrzny:
1/8" NPT
H1 - Rozmiar na klucz:
14 mm
L1 - Długość:
23 mm
L2 - Długość:
17 mm
Zastosowanie:
- Automotive
- Centralne smarowanie
- Hydraulika siłowa mobilna i przemysłowa
- Instalacje grzewcze
- Instalacje sprężonego powietrza
- Prasy hydrauliczne
- Przemysł budowlany
- Przemysł górniczy
- Przemysł maszynowy
- Przemysł okrętowy
- Przemysł rolniczy
Medium:
- Olej napędowy
- Argon
- Azot
- Olej mineralny
- Olej hydrauliczny
- Próżnia
- Sprężone powietrze
- Glikol
Opcje połączeniowe / Propozycje instalacyjne:
- Do zbiorników
- Do płyt i bloków przyłączeniowych
- Do końcówek w elastycznych gotowych przewodach
- Do rur precyzyjnych bezszwowych
- Do przewodów Tekalan
- Do przewodów PU, PA, PE
- Do rur miedzianych
- Do rur aluminiowych
Zalety materiału/produktu:
- Zwiększona ochrona przed korozją chemiczną
- Praca pod wysokim ciśnieniem
- Brak adsorpcji nieprzyjemnych zapachów
- Odporność na promieniowanie słoneczne UV
- Dobre przewodnictwo cieplne
- Praca w trudnych warunkach
- Duży wybór materiałów uszczelniających
- Odporność na działanie obciążeń mechanicznych
- Odporność na działanie wysokich temperatur
Magazyn PL: Na zamówienie
Termin dostawy: 14 dni
Termin dostawy: 14 dni
Na zamówienie
Magazyn EU: 0 szt
Termin dostawy: 30 dni
Termin dostawy: 30 dni
0 szt
30 dni
Materiał / Składowe:
Stal węglowa Cr(VI)-free/Zn-Ni
Dopuszczalna temperatura pracy materiału/produktu:
-40°C do +200°C
Ciśnienie medium:
350 BAR
F1 - Gwint wewnętrzny:
1/8" NPT
H1 - Rozmiar na klucz:
14 mm
L1 - Długość:
17 mm
Zastosowanie:
- Automotive
- Centralne smarowanie
- Hydraulika siłowa mobilna i przemysłowa
- Instalacje grzewcze
- Instalacje sprężonego powietrza
- Prasy hydrauliczne
- Przemysł budowlany
- Przemysł górniczy
- Przemysł maszynowy
- Przemysł okrętowy
- Przemysł rolniczy
Medium:
- Olej napędowy
- Argon
- Azot
- Olej mineralny
- Olej hydrauliczny
- Próżnia
- Sprężone powietrze
- Glikol
Opcje połączeniowe / Propozycje instalacyjne:
- Do zbiorników
- Do płyt i bloków przyłączeniowych
- Do końcówek w elastycznych gotowych przewodach
- Do rur precyzyjnych bezszwowych
- Do przewodów Tekalan
- Do przewodów PU, PA, PE
- Do rur miedzianych
- Do rur aluminiowych
Zalety materiału/produktu:
- Zwiększona ochrona przed korozją chemiczną
- Praca pod wysokim ciśnieniem
- Brak adsorpcji nieprzyjemnych zapachów
- Odporność na promieniowanie słoneczne UV
- Dobre przewodnictwo cieplne
- Praca w trudnych warunkach
- Duży wybór materiałów uszczelniających
- Odporność na działanie obciążeń mechanicznych
- Odporność na działanie wysokich temperatur
Magazyn PL: Na zamówienie
Termin dostawy: 14 dni
Termin dostawy: 14 dni
Na zamówienie
Magazyn EU: 0 szt
Termin dostawy: 30 dni
Termin dostawy: 30 dni
0 szt
30 dni
Materiał / Składowe:
Stal węglowa Cr(VI)-free/Zn-Ni
Dopuszczalna temperatura pracy materiału/produktu:
-40°C do +200°C
Ciśnienie medium:
350 BAR
F1 - Gwint zewnętrzny:
1/8" BSPT
H1 - Rozmiar na klucz:
14 mm
L1 - Długość:
20,5 mm
Zastosowanie:
- Centralne smarowanie
- Hydraulika siłowa mobilna i przemysłowa
- Instalacje grzewcze
- Instalacje sprężonego powietrza
- Prasy hydrauliczne
- Przemysł budowlany
- Przemysł maszynowy
- Przemysł okrętowy
- Przemysł rolniczy
Medium:
- Olej napędowy
- Argon
- Azot
- Olej mineralny
- Olej hydrauliczny
- Próżnia
- Sprężone powietrze
- Glikol
Magazyn PL: Na zamówienie
Termin dostawy: 14 dni
Termin dostawy: 14 dni
Na zamówienie
Magazyn EU: 0 szt
Termin dostawy: 30 dni
Termin dostawy: 30 dni
0 szt
30 dni
Materiał / Składowe:
Stal węglowa Cr(VI)-free/Zn-Ni
Dopuszczalna temperatura pracy materiału/produktu:
-40°C do +200°C
Ciśnienie medium:
350 BAR
F1 - Gwint zewnętrzny:
1/8" BSPP
F2 - Gwint zewnętrzny:
1/8" BSPP
H1 - Rozmiar na klucz:
14 mm
H2 - Rozmiar na klucz:
19 mm
L1 - Długość:
21 mm
L2 - Długość:
26 mm
Zastosowanie:
- Automotive
- Centralne smarowanie
- Hydraulika siłowa mobilna i przemysłowa
- Instalacje grzewcze
- Instalacje sprężonego powietrza
- Prasy hydrauliczne
- Przemysł budowlany
- Przemysł górniczy
- Przemysł maszynowy
- Przemysł okrętowy
- Przemysł rolniczy
Medium:
- Olej napędowy
- Argon
- Azot
- Olej mineralny
- Olej hydrauliczny
- Próżnia
- Sprężone powietrze
- Glikol
Opcje połączeniowe / Propozycje instalacyjne:
- Do zbiorników
- Do płyt i bloków przyłączeniowych
- Do końcówek w elastycznych gotowych przewodach
- Do rur precyzyjnych bezszwowych
- Do przewodów Tekalan
- Do przewodów PU, PA, PE
- Do rur miedzianych
- Do rur aluminiowych
Zalety materiału/produktu:
- Zwiększona ochrona przed korozją chemiczną
- Praca pod wysokim ciśnieniem
- Brak adsorpcji nieprzyjemnych zapachów
- Odporność na promieniowanie słoneczne UV
- Dobre przewodnictwo cieplne
- Praca w trudnych warunkach
- Duży wybór materiałów uszczelniających
- Odporność na działanie obciążeń mechanicznych
- Odporność na działanie wysokich temperatur
Magazyn PL: Na zamówienie
Termin dostawy: 14 dni
Termin dostawy: 14 dni
Na zamówienie
Magazyn EU: 0 szt
Termin dostawy: 30 dni
Termin dostawy: 30 dni
0 szt
30 dni
Materiał / Składowe:
Stal węglowa Cr(VI)-free/Zn-Ni
Dopuszczalna temperatura pracy materiału/produktu:
-40°C do +200°C
Ciśnienie medium:
350 BAR
F1 - Gwint zewnętrzny:
1/8" BSPP
F2 - Gwint zewnętrzny:
1/8" BSPP
H1:
14 mm
H2:
19 mm
L1 - Długość:
26 mm
L2 - Długość:
21 mm
Materiał / Składowe:
- Stal nierdzewna
Zastosowanie:
- Automotive
- Centralne smarowanie
- Hydraulika siłowa mobilna i przemysłowa
- Instalacje grzewcze
- Instalacje sprężonego powietrza
- Prasy hydrauliczne
- Przemysł budowlany
- Przemysł górniczy
- Przemysł maszynowy
- Przemysł okrętowy
- Przemysł rolniczy
Medium:
- Olej napędowy
- Argon
- Azot
- Olej mineralny
- Olej hydrauliczny
- Próżnia
- Sprężone powietrze
- Glikol
Opcje połączeniowe / Propozycje instalacyjne:
- Do zbiorników
- Do płyt i bloków przyłączeniowych
- Do końcówek w elastycznych gotowych przewodach
- Do rur precyzyjnych bezszwowych
- Do przewodów Tekalan
- Do przewodów PU, PA, PE
- Do rur miedzianych
- Do rur aluminiowych
Zalety materiału/produktu:
- Zwiększona ochrona przed korozją chemiczną
- Praca pod wysokim ciśnieniem
- Brak adsorpcji nieprzyjemnych zapachów
- Odporność na promieniowanie słoneczne UV
- Dobre przewodnictwo cieplne
- Praca w trudnych warunkach
- Duży wybór materiałów uszczelniających
- Odporność na działanie obciążeń mechanicznych
- Odporność na działanie wysokich temperatur
Magazyn PL: Na zamówienie
Termin dostawy: 14 dni
Termin dostawy: 14 dni
Na zamówienie
Magazyn EU: 0 szt
Termin dostawy: 30 dni
Termin dostawy: 30 dni
0 szt
30 dni
Materiał / Składowe:
Stal węglowa Cr(VI)-free/Zn-Ni
Dopuszczalna temperatura pracy materiału/produktu:
-40°C do +200°C
Ciśnienie medium:
350 BAR
F1 - Gwint zewnętrzny:
1/8" BSPP
H1:
14 mm
L1 - Długość:
22 mm
Zastosowanie:
- Automotive
- Centralne smarowanie
- Hydraulika siłowa mobilna i przemysłowa
- Instalacje grzewcze
- Instalacje sprężonego powietrza
- Prasy hydrauliczne
- Przemysł budowlany
- Przemysł górniczy
- Przemysł maszynowy
- Przemysł okrętowy
- Przemysł rolniczy
Medium:
- Olej napędowy
- Argon
- Azot
- Olej mineralny
- Olej hydrauliczny
- Próżnia
- Sprężone powietrze
- Glikol
Opcje połączeniowe / Propozycje instalacyjne:
- Do zbiorników
- Do płyt i bloków przyłączeniowych
- Do końcówek w elastycznych gotowych przewodach
- Do rur precyzyjnych bezszwowych
- Do przewodów Tekalan
- Do przewodów PU, PA, PE
- Do rur miedzianych
- Do rur aluminiowych
Zalety materiału/produktu:
- Zwiększona ochrona przed korozją chemiczną
- Praca pod wysokim ciśnieniem
- Brak adsorpcji nieprzyjemnych zapachów
- Odporność na promieniowanie słoneczne UV
- Dobre przewodnictwo cieplne
- Praca w trudnych warunkach
- Duży wybór materiałów uszczelniających
- Odporność na działanie obciążeń mechanicznych
- Odporność na działanie wysokich temperatur
Magazyn PL: 8 szt
Termin dostawy: 48 h
Termin dostawy: 48 h
8 szt
48 h
Magazyn EU: 9881 szt
Termin dostawy: 4 dni
Termin dostawy: 4 dni
9881 szt
4 dni
Materiał / Składowe:
Stal węglowa Cr(VI)-free/Zn-Ni
Dopuszczalna temperatura pracy materiału/produktu:
-40°C do +200°C
Ciśnienie medium:
350 BAR
F1 - Gwint wewnętrzny:
1/8" BSPP
H1 - Rozmiar na klucz:
14 mm
L1 - Długość:
17 mm
L2 - Długość:
17 mm
Zastosowanie:
- Automotive
- Centralne smarowanie
- Hydraulika siłowa mobilna i przemysłowa
- Instalacje grzewcze
- Instalacje sprężonego powietrza
- Prasy hydrauliczne
- Przemysł budowlany
- Przemysł górniczy
- Przemysł maszynowy
- Przemysł okrętowy
- Przemysł rolniczy
Medium:
- Olej napędowy
- Argon
- Azot
- Olej mineralny
- Olej hydrauliczny
- Próżnia
- Sprężone powietrze
- Glikol
Opcje połączeniowe / Propozycje instalacyjne:
- Do zbiorników
- Do płyt i bloków przyłączeniowych
- Do końcówek w elastycznych gotowych przewodach
- Do rur precyzyjnych bezszwowych
- Do przewodów Tekalan
- Do przewodów PU, PA, PE
- Do rur miedzianych
- Do rur aluminiowych
Zalety materiału/produktu:
- Zwiększona ochrona przed korozją chemiczną
- Praca pod wysokim ciśnieniem
- Brak adsorpcji nieprzyjemnych zapachów
- Odporność na promieniowanie słoneczne UV
- Dobre przewodnictwo cieplne
- Praca w trudnych warunkach
- Duży wybór materiałów uszczelniających
- Odporność na działanie obciążeń mechanicznych
- Odporność na działanie wysokich temperatur
Magazyn PL: 5 szt
Termin dostawy: 48 h
Termin dostawy: 48 h
5 szt
48 h
Magazyn EU: 1739 szt
Termin dostawy: 4 dni
Termin dostawy: 4 dni
1739 szt
4 dni
Materiał / Składowe:
Stal węglowa Cr(VI)-free/Zn-Ni
Dopuszczalna temperatura pracy materiału/produktu:
-40°C do +200°C
Ciśnienie medium:
350 BAR
F1 - Gwint wewnętrzny:
1/8" BSPP
H1 - Rozmiar na klucz:
14 mm
H2 - Rozmiar na klucz:
15 mm
L1 - Długość:
28,5 mm
Zastosowanie:
- Automotive
- Centralne smarowanie
- Hydraulika siłowa mobilna i przemysłowa
- Instalacje grzewcze
- Instalacje sprężonego powietrza
- Prasy hydrauliczne
- Przemysł budowlany
- Przemysł górniczy
- Przemysł maszynowy
- Przemysł okrętowy
- Przemysł rolniczy
Medium:
- Olej napędowy
- Argon
- Azot
- Olej mineralny
- Olej hydrauliczny
- Próżnia
- Sprężone powietrze
- Glikol
Opcje połączeniowe / Propozycje instalacyjne:
- Do zbiorników
- Do płyt i bloków przyłączeniowych
- Do końcówek w elastycznych gotowych przewodach
- Do rur precyzyjnych bezszwowych
- Do przewodów Tekalan
- Do przewodów PU, PA, PE
- Do rur miedzianych
- Do rur aluminiowych
Zalety materiału/produktu:
- Zwiększona ochrona przed korozją chemiczną
- Praca pod wysokim ciśnieniem
- Brak adsorpcji nieprzyjemnych zapachów
- Odporność na promieniowanie słoneczne UV
- Dobre przewodnictwo cieplne
- Praca w trudnych warunkach
- Duży wybór materiałów uszczelniających
- Odporność na działanie obciążeń mechanicznych
- Odporność na działanie wysokich temperatur
Magazyn PL: 1 szt
Termin dostawy: 48 h
Termin dostawy: 48 h
1 szt
48 h
Magazyn EU: 9136 szt
Termin dostawy: 4 dni
Termin dostawy: 4 dni
9136 szt
4 dni
Materiał / Składowe:
Stal węglowa Cr(VI)-free/Zn-Ni
Dopuszczalna temperatura pracy materiału/produktu:
-40°C do +200°C
Ciśnienie medium:
350 BAR
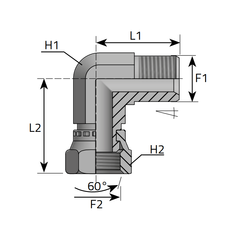
F1 - Gwint zewnętrzny:
1/8" BSPP
F2 - Gwint wewnętrzny:
1/8" BSPP
H1 - Rozmiar na klucz:
14 mm
H2 - Rozmiar na klucz:
15 mm
L1 - Długość:
20 mm
L2 - Długość:
28,5 mm
Zastosowanie:
- Automotive
- Centralne smarowanie
- Hydraulika siłowa mobilna i przemysłowa
- Instalacje grzewcze
- Instalacje sprężonego powietrza
- Prasy hydrauliczne
- Przemysł budowlany
- Przemysł górniczy
- Przemysł maszynowy
- Przemysł okrętowy
- Przemysł rolniczy
Medium:
- Olej napędowy
- Argon
- Azot
- Olej mineralny
- Olej hydrauliczny
- Próżnia
- Sprężone powietrze
- Glikol
Opcje połączeniowe / Propozycje instalacyjne:
- Do zbiorników
- Do płyt i bloków przyłączeniowych
- Do końcówek w elastycznych gotowych przewodach
- Do rur precyzyjnych bezszwowych
- Do przewodów Tekalan
- Do przewodów PU, PA, PE
- Do rur miedzianych
- Do rur aluminiowych
Zalety materiału/produktu:
- Zwiększona ochrona przed korozją chemiczną
- Praca pod wysokim ciśnieniem
- Brak adsorpcji nieprzyjemnych zapachów
- Odporność na promieniowanie słoneczne UV
- Dobre przewodnictwo cieplne
- Praca w trudnych warunkach
- Duży wybór materiałów uszczelniających
- Odporność na działanie obciążeń mechanicznych
- Odporność na działanie wysokich temperatur
Magazyn PL: 9 szt
Termin dostawy: 48 h
Termin dostawy: 48 h
9 szt
48 h
Magazyn EU: 4889 szt
Termin dostawy: 4 dni
Termin dostawy: 4 dni
4889 szt
4 dni
Materiał / Składowe:
Stal węglowa Cr(VI)-free/Zn-Ni
Dopuszczalna temperatura pracy materiału/produktu:
-40°C do +200°C
Ciśnienie medium:
350 BAR
F1 - Gwint zewnętrzny:
1/8" BSPP
F2 - Gwint wewnętrzny:
1/8" BSPP
H1 - Rozmiar na klucz:
14 mm
H2 - Rozmiar na klucz:
15 mm
L1 - Długość:
20 mm
L2 - Długość:
28,5 mm
Zastosowanie:
- Automotive
- Centralne smarowanie
- Hydraulika siłowa mobilna i przemysłowa
- Instalacje grzewcze
- Instalacje sprężonego powietrza
- Prasy hydrauliczne
- Przemysł budowlany
- Przemysł górniczy
- Przemysł maszynowy
- Przemysł okrętowy
- Przemysł rolniczy
Medium:
- Olej napędowy
- Argon
- Azot
- Olej mineralny
- Olej hydrauliczny
- Próżnia
- Sprężone powietrze
- Glikol
Opcje połączeniowe / Propozycje instalacyjne:
- Do zbiorników
- Do płyt i bloków przyłączeniowych
- Do końcówek w elastycznych gotowych przewodach
- Do rur precyzyjnych bezszwowych
- Do przewodów Tekalan
- Do przewodów PU, PA, PE
- Do rur miedzianych
- Do rur aluminiowych
Zalety materiału/produktu:
- Zwiększona ochrona przed korozją chemiczną
- Praca pod wysokim ciśnieniem
- Brak adsorpcji nieprzyjemnych zapachów
- Odporność na promieniowanie słoneczne UV
- Dobre przewodnictwo cieplne
- Praca w trudnych warunkach
- Duży wybór materiałów uszczelniających
- Odporność na działanie obciążeń mechanicznych
- Odporność na działanie wysokich temperatur
Magazyn PL: Na zamówienie
Termin dostawy: 14 dni
Termin dostawy: 14 dni
Na zamówienie
Magazyn EU: 0 szt
Termin dostawy: 30 dni
Termin dostawy: 30 dni
0 szt
30 dni
Materiał / Składowe:
Stal węglowa Cr(VI)-free/Zn-Ni
Dopuszczalna temperatura pracy materiału/produktu:
-40°C do +200°C
Ciśnienie medium:
350 BAR
F1 - Gwint zewnętrzny:
1/8" BSPP
F2 - Gwint zewnętrzny:
1/8" BSPT
H1 - Rozmiar na klucz:
14 mm
L1 - Długość:
22 mm
L2 - Długość:
20,5 mm
Zastosowanie:
- Automotive
- Centralne smarowanie
- Hydraulika siłowa mobilna i przemysłowa
- Instalacje grzewcze
- Instalacje sprężonego powietrza
- Prasy hydrauliczne
- Przemysł budowlany
- Przemysł górniczy
- Przemysł maszynowy
- Przemysł okrętowy
- Przemysł rolniczy
Medium:
- Olej napędowy
- Argon
- Azot
- Olej mineralny
- Olej hydrauliczny
- Próżnia
- Sprężone powietrze
- Glikol
Opcje połączeniowe / Propozycje instalacyjne:
- Do zbiorników
- Do płyt i bloków przyłączeniowych
- Do końcówek w elastycznych gotowych przewodach
- Do rur precyzyjnych bezszwowych
- Do przewodów Tekalan
- Do przewodów PU, PA, PE
- Do rur miedzianych
- Do rur aluminiowych
Zalety materiału/produktu:
- Zwiększona ochrona przed korozją chemiczną
- Praca pod wysokim ciśnieniem
- Brak adsorpcji nieprzyjemnych zapachów
- Odporność na promieniowanie słoneczne UV
- Dobre przewodnictwo cieplne
- Praca w trudnych warunkach
- Duży wybór materiałów uszczelniających
- Odporność na działanie obciążeń mechanicznych
- Odporność na działanie wysokich temperatur
Magazyn PL: Na zamówienie
Termin dostawy: 14 dni
Termin dostawy: 14 dni
Na zamówienie
Magazyn EU: 0 szt
Termin dostawy: 30 dni
Termin dostawy: 30 dni
0 szt
30 dni
Materiał / Składowe:
Stal węglowa Cr(VI)-free/Zn-Ni
Dopuszczalna temperatura pracy materiału/produktu:
-40°C do +200°C
Ciśnienie medium:
350 BAR
F1 - Gwint wewnętrzny:
1/8" BSPP
F2 - Gwint zewnętrzny:
1/8" BSPT
H1 - Rozmiar na klucz:
14 mm
L1 - Długość:
17 mm
L2 - Długość:
20,5 mm
Zastosowanie:
- Automotive
- Centralne smarowanie
- Hydraulika siłowa mobilna i przemysłowa
- Instalacje grzewcze
- Instalacje sprężonego powietrza
- Prasy hydrauliczne
- Przemysł budowlany
- Przemysł górniczy
- Przemysł maszynowy
- Przemysł okrętowy
- Przemysł rolniczy
Medium:
- Olej napędowy
- Argon
- Azot
- Olej mineralny
- Olej hydrauliczny
- Próżnia
- Sprężone powietrze
- Glikol
Opcje połączeniowe / Propozycje instalacyjne:
- Do zbiorników
- Do płyt i bloków przyłączeniowych
- Do końcówek w elastycznych gotowych przewodach
- Do rur precyzyjnych bezszwowych
- Do przewodów Tekalan
- Do przewodów PU, PA, PE
- Do rur miedzianych
- Do rur aluminiowych
Zalety materiału/produktu:
- Zwiększona ochrona przed korozją chemiczną
- Praca pod wysokim ciśnieniem
- Brak adsorpcji nieprzyjemnych zapachów
- Odporność na promieniowanie słoneczne UV
- Dobre przewodnictwo cieplne
- Praca w trudnych warunkach
- Duży wybór materiałów uszczelniających
- Odporność na działanie obciążeń mechanicznych
- Odporność na działanie wysokich temperatur
Magazyn PL: Na zamówienie
Termin dostawy: 14 dni
Termin dostawy: 14 dni
Na zamówienie
Magazyn EU: 0 szt
Termin dostawy: 30 dni
Termin dostawy: 30 dni
0 szt
30 dni





































